STMicroelectronics VL53L4Cx 飛行時間型センサ
STMicroelectronics VL53L4Cx飛行時間型センサは、完全に統合されたミニチュアモジュールで、ターゲットの色と反射率に関係なく絶対距離測定を記録します。これらのセンサには、940nm完全不可視 IR 光を放射する垂直キャビティ表面発光レーザー (VCSEL) が集積されています。VL53L4Cx飛行時間型センサは、低電力マイクロコントローラ、I2Cインターフェイス(最大1MHz)、単電源2v8が特徴です。これらのセンサーは、単一光子アバランシェ・ダイオード(SPAD)アレイを集積した超小型リフロー可能パッケージになっております。VL53L4Cx飛行時間センサは、スマート照明、システムのアクティブ化、存在検出といったアプリケーションに使用されます。特徴
- 共通
- 18°のFoV
- 高度デジタルファームウェアを実行している低消費電力マイクロコントローラ
- 4.4mm x 2.4mm x 1mmサイズ
- 940nm不可視レーザーエミッタ(VCSEL)およびアナログドライバ
- リフロー可能コンポーネント
- 単電源2v8
- カバーガラスの後ろに隠すことができます
- I²Cインターフェイス(最高1MHz)
- 2.6V~3.5V動作電圧範囲
- 動作温度範囲:-30°C~+85°C
- 光学LGA12パッケージ
- VL53L4CD
- 高精度近接範囲:
- 高性能近接センサ
- 0mm~1300mm(完全FoV搭載)
- 最低1mmの短距離直線性
- 最大100Hzの高速範囲周波数
- ホストをウェイクアップさせるプログラマブル割り込み閾値が搭載された自律型低消費電力モード
- 完全統合小型モジュール
- VL53L0X、VL53L1X、VL53L1CB、VL53L3CX、VL53L4CXとのピン対ピン互換性あり
- 簡単な統合:
- ターンキーレンジング用のCソフトウェアドライバーのフルセット(Linux互換)
- ホストでの非常に低いメモリ・フットプリントのための組み込み処理
- 高精度近接範囲:
- VL53L4CX
- 高速で正確な距離測定:
- ヒストグラムベースの技術
- 0mm~6mまでの距離測定
- 10mmまでの短距離直線性
- すべてのターゲットと光レベルでの長距離範囲の性能の大幅な向上
- マルチオブジェクト検出機能
- 80Cmを超える範囲のターゲットは、カバーガラスと汚れからのクロストークに対する免疫
- 完全統合小型モジュール
- VL53L0X、VL53L1X、VL53L1CB、VL53L3CX、VL53L4CDとのピン対ピン互換性あり
- 簡単な統合:
- ターンキーレンジング用のソフトウェアドライバーのフルセット(Linux互換)
- ライブクロストーク補正
- 部品間または一般的な形状クロストーク較正を利用可
- ドライバは、VL53L3CXとの互換性あり
- 高速で正確な距離測定:
アプリケーション
- VL53L4CD
- 近接測距アプリケーション:
- ロボットの壁トラッキングと崖検出
- システムのアクティベーションと存在検出
- タッチレススイッチ
- バッテリ駆動デバイスの非常に低い電力消費:
- アクセス制御
- 衛生(蛇口とディスペンサー)
- 家電(サーモスタットと照明制御)
- 高速範囲:
- バーコードリーダー
- 生体認証距離アプリケーション
- 仮想フェンス
- 近接測距アプリケーション:
- VL53L4CX
- 障害物回避、ロボット、サービスロボット、掃除機の崖検出
- 衛生およびスマート照明のユーザープレゼンス検出
- スマートビルとアクセス制御デバイスのシステム起動
- スマートビンと物流のためのコンテンツ管理
- IoTデバイスのユーザーとオブジェクトの検出
- 工業アプリケーションのための光カーテン
- 屋内ドローンの着陸アシストと衝突回避
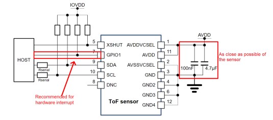
ブロック図
アプリケーション回路
公開: 2022-03-07
| 更新済み: 2025-06-03
