Vishay Semiconductors VOx619Aフォトトランジスタ出力オプトカプラ
Vishay Semiconductors VOx619Aフォトトランジスタ出力オプトカプラは、工業および民生用アプリケーションでの高性能信号絶縁を目的に設計されています。これらのデバイスは、広範囲の入力電流にわたって高い電流伝達率(CTR)を維持し、低入力レベルでも信頼性の高い信号伝送を実現します。Vishay Semiconductors VOx619A-3X0xTは小型パッケージのDIPまたはSMDに格納されており、最大5000VRMSの高い絶縁電圧を実現します。加えて、安全規格であるUL、VDE、CQCにも適合します。VOx619Aシリーズは、低入力電流動作に最適化されており、エネルギー効率を重視した設計に理想的です。堅牢な構造と広い動作温度範囲を備えたこれらのオプトカプラは、電源のフィードバックループ、マイクロプロセッサの入力インターフェイス、およびノイズの多い環境下での信号絶縁に適しています。特徴
- 低順電流での高CTR
- 高いコレクタ・エミッタ電圧:80V
- 高い絶縁電圧:3750VRMSまたは5000VRMS
- 温度および順方向電流に対して改善されたCTR直線性
- 動作温度最高+125°C
- 無鉛、ハロゲンフリー、グリーンデバイス
- RoHS準拠
アプリケーション
- DC/DCコンバータ
- プログラマブルコントローラ
- 電源
- ガルバニックおよびノイズ絶縁による信号伝送
仕様
- 入力
- 5Vまたは6V最大逆電圧
- 1.6V 最大順電圧
- 50mW最大電力損失
- 30mA最大順電流
- 動作順電流範囲: 0.5mA ~ 10mA
- 1,0A最大サージ順電流
- 5µAまたは10µA最大逆電流
- +135°C最高接合部温度
- 出力
- 80V最高コレクタ-エミッタ電圧
- 80V最低コレクタ-エミッタ間絶縁破壊電圧
- 7V最高エミッタコレクタ間電圧
- 7V最低エミッタコレクタ間絶縁破壊電圧
- 30mA 最大コレクタ電流
- 最大コレクタ-エミッタリーク電流: 200nA
- 200mW最大電力損失
- 最高接合部温度:+135°C
- カプラ
- 0.3V最高コレクタ-エミッタ飽和電圧
- 200mW最大総電力損失
- -55°C ~ +125°C最高周囲温度範囲
- +260°C最高はんだ付け温度
- スイッチング
- 最大上昇時間: 18 ° s (標準)
- 18 ° s最大下降時間、標準8 ° s
- IEC 68 part 1に準じた55/125/21気候分類
- DIN VDE 2に準じた汚染度0109
- 175相対追跡指数(CTI)
- 150mWまたは400mW出力安全電力オプション
- 130mAまたは250mA入力安全電流オプション
- 入力安全温度: +150°C
- 5mm以上~ 8mm以上の沿面距離/空間距離範囲
- 絶縁厚: 0.4mm以上
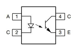
回路図
インフォグラフィック
公開: 2025-08-27
| 更新済み: 2026-02-03
