Allegro MicroSystems A81805/A81805-1 Synchronous Buck Regulators
Allegro MicroSystems A81805/A81805-1 Synchronous Buck Regulators are 40V synchronous buck regulators with low EMI and 6µA quiescent current that allows high efficiency over a full load of up to 2.5A. The A81805/A81805-1 regulators support a unique architecture that reduces the amount of EMI generated by the switching components to minimize the number of external components.The very low 6uA quiescent current of the Allegro MicroSystems A81805/A81805-1 Synchronous Buck Regulators facilitates maximized battery life in standby mode. The device's wide input voltage range encapsulates many transients in automotive and industrial applications and remains on as the voltage drops.
Features
- AEC-Q100 Grade 0 qualified
- VIN Range of 3.5V to 36V operating, 40V transient
- VOUT of 3.3V, ±1.5% accuracy, ‒40°C to 150°C (5V for the A81805-1)
- Up to 2.5A of continuous output current
- 92%, 12V input to 5V output, 1A, 2MHz High efficiency
- Integrated compensation eliminates three external components
- Low-Power (LP) mode of 6µA IQ from VIN at no load, an automatic transition from LP to PWM mode
- Fixed-Frequency PWM (fOSC) of 400kHz to 2.5MHz programmable
- Synchronizable switching frequency (400kHz to 2.5MHz) is PLL-based, fSYNC can be above or below fOSC
- Spread spectrum applied helps to pass CISPR25 class 5
- Internally set soft-start
- Accurate ENABLE input threshold
- Open-drain PGOOD output with delay
- Pre-bias startup capable
- Maximized duty cycle at low VIN improves dropout
- Overvoltage, pulse-by-pulse current limit, hiccup mode short-circuit, and thermal protection
- Robust FMEA of pin open/short and component faults
Applications
- Infotainment
- Battery-powered systems
- Industrial systems
- Container tracking
- Handheld instruments
- Audio systems
- ADAS
- Instrument clusters
- Power steering
- Radar
Typical Application Diagram
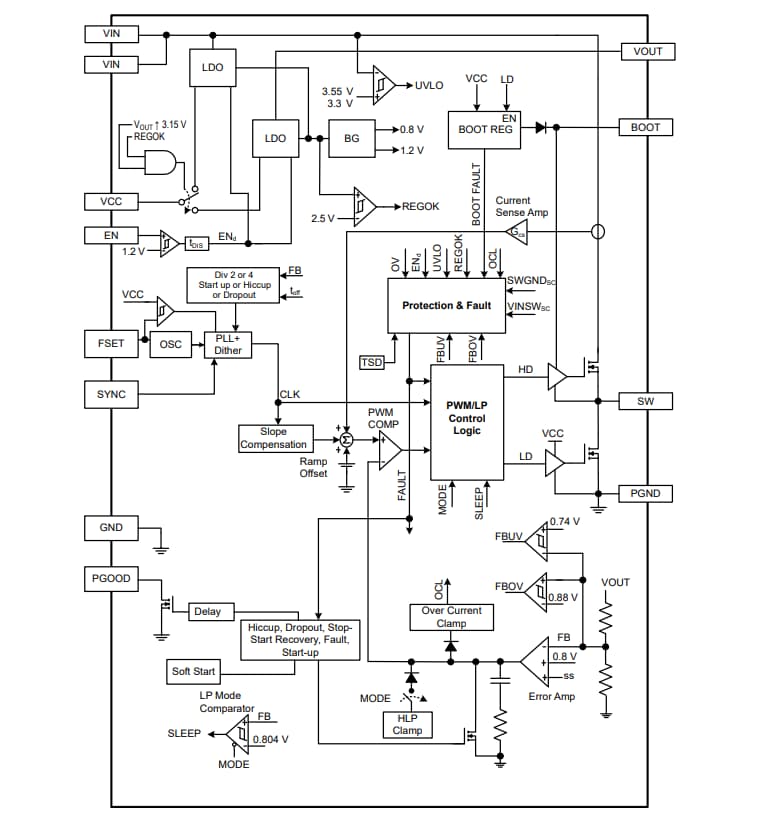
Block Diagram
公開: 2022-07-18
| 更新済み: 2023-12-13
