Amphenol Aerospace オクタル1000BASE-T to SGMIIコンバータ
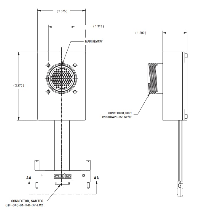
Amphenol Aerospaceオクタル1000BASE-T to SGMIIコンバータには、堅牢で柔軟性に富んだSerDes技術が活用されており、IEEE 802.3ab準拠のギガビット・イーサネットおよび8つのポートをサポートしています。その1000 BASE-T銅インターフェイスにおいて、この自然対流冷却ソリューションは、(100)サイズ22コンタクトをD38999シェル・サイズ23設計で提供しています。そのSGMIIインターフェイスにおいて、Amphenol Aerospaceコンバータ・モジュールは、Samtec Qシリーズ®高速ケーブル・アセンブリが特徴です。合わせて、これらのオクタル・メディア・コンバータは、5W未満の電力しか消費せず、Samtecコネクタで5Vパワー接続を必要とします。特徴
- 1000BASE-TをSGMIIに変換
- IEEE 802.3ab準拠
- 1000BASE-T銅インターフェイス
- D38999シェルサイズ23
- 22サイズコンタクト(100)
- SGMIIインターフェイス
- Samtec Qシリーズ®高速ケーブル・アセンブリ
- Samtecコネクタでの5V電源接続
- 自然対流冷却(ファンまたはコールド・プレート不要)
- 動作温度: -40°C~85°C(-50°C / 125°Cストレージ)
- EMI/EMC互換
寸法図面
8ポート - ギガビット・イーサネット
公開: 2018-08-30
| 更新済み: 2022-08-08
