Amphenol Advanced Sensors NPC-1220中圧力センサ
Amphenol Advanced Sensors NPC-1220圧力センサは、広い温度範囲でキャリブレーションされた性能が必要になるアプリケーションを対象とした、費用対効果の高いソリューションです。これらの圧力センサには、任意の圧力ポートとリード構成が備わっており、圧力接続方向が重要になる薄型アプリケーションで優れた柔軟性を発揮します。NPC-1220圧力センサは、NovaSensorの高度SenStable®ピエゾ抵抗センシング技術に基づいています。このシリコン・マイクロマシニング技術は、ピエゾ抵抗歪みゲージをWheatstoneブリッジ構成へのイオン注入に使用されています。一般的なアプリケーションには、産業用オートメーション、流量モニタ、プロセス制御、医療機器、地下ケーブル漏れ検出があります。NPC-1220シリーズは、0psi~100psi(0bar~6.89bar)から0psi~5psi(0bar~0.34bar)の圧力範囲でご用意があります。特徴
- 50mVフルスケール出力(FSO)
- 0.1%精度
- 交換可能
- 動作温度範囲: 0°C~60°C
- ソリッド・ステート信頼性
- 個々のデバイスのトレーサビリティ
- PCB実装が可能なパッケージ
- DIPパッケージ
アプリケーション
- 産業オートメーション
- プロセス制御
- 医療機器
- 流量モニタ
- 地下ケーブル漏れ検出
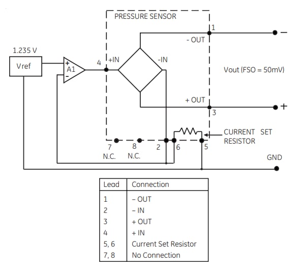
NPC-1220センサの回路図
NPC-1220センサの寸法
公開: 2018-09-05
| 更新済み: 2022-08-01
