ADI ADGS1414D SPSTスイッチを使用すると、複数のデバイスをディジーチェーン接続し、デイジーチェーンモードを使用して最小限のデジタル回線で複数のデバイスを構成できます。チャンネル密度は、ADGS14Dを介したデジタル信号と供給のルーティングによってさらに向上します。ADGS14Dには数多くの受動部品が集積されており、外付け部品が不要です。
ADGS1414Dは、両方向で各スイッチを等しく導通します。また、各スイッチには供給にまでおよぶ入力信号範囲があります。これによってADGS1414Dは、大きなスイッチングマトリックス、およびファンアウトバッファといった高密度スイッチング・アプリケーションに最適です。
特徴
- エラー検出を用いたSPI
- CRC、無効な読取・書込アドレス、SCLKカウントエラー検出を含む
- バーストモードとデイジーチェーンモードをサポート
- 業界標準SPIモード0およびモード3インターフェイス互換
- 集積受動部品
- デジタル信号と供給からのルーティング
- マルチプレクサ構成を行うためにスイッチを外部配線できる保証されたブレーク・ビフォア・メーク・スイッチング
- 25°Cで1.5Ωの典型的なON抵抗(±15Vデュアル供給)
- 25°Cで0.3Ωの典型的なON抵抗平坦性(±15Vデュアル供給)
- 25°Cでのチャンネル間での標準0.1ΩON抵抗整合(±15Vデュアル供給)
- VSSからVDDアナログ信号範囲
- ±15V、±5V、+12Vで完全指定
- 2.7V ≤ VL ≤ 3.3Vとの1.8Vロジック互換性(1.8VデバイスへのSPIリードバックを除く)
- 4mm × 5mm、30端子LGA
アプリケーション
- 自動試験装置
- データ取得システム
- サンプルおよび保持システム
- オーディオおよびビデオ信号ルーティング
- 通信システム
- リレー交換
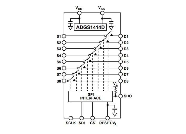
ブロック図
公開: 2020-07-09
| 更新済み: 2025-02-20

