Analog Devices MAX17702鉛酸バッテリ充電器コントローラは、-40°C~+125°Cの広い温度範囲で動作し、±4%の高精度定電流安定化が備わった鉛蓄電池を対象とする完全充電ソリューションです。この出力電圧は、1.25V~(VDCIN - 2.1V)までプログラム可能で、±1%の安定化精度が備わっています。このデバイスには、外部nMOSFETが採用されており、入力供給側の短絡保護を実現していて、バッテリ放電を防止します。
MAX17702は、定電流(CC)、定吸収電圧(CV)状態でバッテリを充電し、テーパー電流閾値または吸収CVタイマ・タイムアウト(吸収CV状態)を検出した後に浮動CV状態に入ります。ディープ放電検出コンパレータを使用すると、完全に放電されたバッテリの検出とプリコンディショニングが可能です。
MAX17702は、24ピン4mm x 4mm TQFNパッケージに格納されており、露出パッドが備わっています。
特徴
- 鉛蓄電池用に最適化された機能セット
- ±4%充電電流安定化精度
- ±6%充電電流モニタ精度(ISMON)
- ±1%電圧安定化精度
- プログラマブル定電流(CC)モード充電電流(ILIM)
- テーパー電流閾値と吸収CVタイマ(TMR)が搭載されたフルバッテリ検出
- ワイド4.5V~60V入力電圧範囲
- 1.25V~最大(VDCIN-2.1V)の調整可能な出力電圧範囲
- 調整可能な周波数: 125kHz~2.2MHz
- 外部クロック同期(RT/SYNC)
- 厳しい環境条件での信頼性の高い操作
- 入力短絡保護(GATEN)
- 完全に放電されたバッテリ検出とプリコンディショニング(DDTH)
- バッテリ温度センシングと温度範囲内にある場合に充電(TEMP)
- 出力電圧温度補償
- サイクルバイサイクル過電流制限
- プログラマブルEN/UVLOスレッショルド
- オープンドレイン出力(FLG1、FLG2)を使用したステータス出力の監視
- 過熱保護
- -40°C~+125°Cの広い周囲動作温度範囲/-40°C~+150°Cの接合部温度範囲
アプリケーション
- 産業用バッテリ充電とエネルギー貯蔵
- 電力ツール
- 照明、セキュリティカメラ、制御パネルのバッテリバックアップ
- ポータブル産業用機器
- ビルおよびホームオートメーション用のバックアップ電源
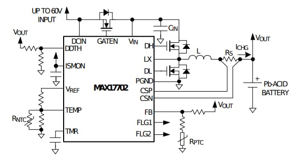
簡略化アプリケーション回路
公開: 2021-05-27
| 更新済み: 2023-04-12

