MAX17703コントローラは、-40°C~+125°Cの広い温度範囲で動作し、±4%の精度の定電流が備わったリチウムイオン電池用の完全充電ソリューションです。この出力電圧は、1.25V~(VDCIN - 2.1V)までプログラム可能で、±1%の安定化精度が備わっています。
Analog Devices MAX17703リチウムイオン電池充電器コントローラには、外部nMOSFETが使用されており、入力電源側の短絡保護を実現していて、バッテリ放電を防止します。このデバイスは、定電流(CC)および定電圧(CV)状態でバッテリを充電し、テーパー・タイマが経過した後で完全充電状態で終端します。
MAX17703は、露出パッド付き24ピン4mm x 4mm TQFNパッケージで販売されています。
特徴
- リチウムポリマー、LiFePO4、リチウムチタン酸を含むリチウムイオン電池用に最適化された機能セット
- ±4%充電電流安定化精度
- ±6%充電電流モニタ精度(ISMON)
- ±1%電圧安定化精度
- プログラマブル定電流(CC)モード充電電流(ILIM)
- テーパー電流閾値とテーパー・タイマが搭載された完全バッテリ検出での充電終端
- ワイド4.5V~60V入力電圧範囲
- 1.25V~最大(VDCIN-2.1V)の調整可能な出力電圧範囲
- 外部クロック同期によって調整可能(RT/SYNC)な125kHz~2.2MHzの周波数
- 厳しい環境条件での信頼性の高い操作
- 入力短絡保護(GATEN)
- 安全タイマ機能(TMR)
- 完全に放電されたバッテリ検出とプリコンディショニング(DDTH)
- バッテリ温度センシングと温度範囲内にある場合に充電(TEMP)
- サイクルバイサイクル過電流制限
- プログラマブルEN/UVLOスレッショルド
- オープンドレイン出力(FLG1、FLG2)を使用したステータス出力の監視
- 過熱保護
- CISPR 32(EN55032)class B伝導および放射放出に準拠
- -40°C~+125°Cの広い周囲動作温度範囲/-40°C~+150°Cの接合部温度範囲
アプリケーション
- 産業用バッテリ充電とエネルギー貯蔵
- 電源ツールとハンドヘルド端子
- 照明、セキュリティカメラ、制御パネルのバッテリバックアップ
- ポータブル産業および医療機器
- ビルおよびホームオートメーション用のバックアップ電源
ビデオ
簡略化アプリケーション回路
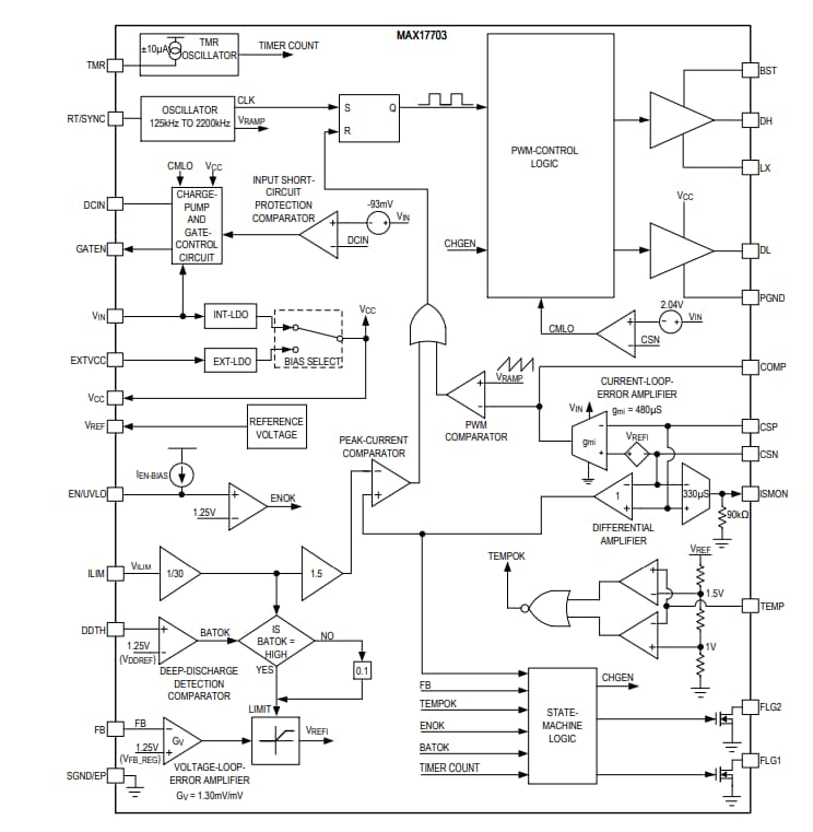
機能ブロック図
公開: 2021-05-27
| 更新済み: 2023-04-12

