Analog Devices / Maxim Integrated MAX5996 IEEE® 802.3bt準拠の受電デバイス
Analog Devices AX5996 IEEE® 802.3bt準拠の受電デバイスは、検出シグネチャ、分類シグネチャ、起動突入電流制御が備わった統合パワースイッチが搭載されたパワー・オーバー・イーサネット(PoE)システムにおいてIEEE 802.3af/at/bt規格に準拠しています。MAX5996は、起動中の電流を135mAに制限し、パワーMOSFETが完全に強化されるとさらに大きな電流制限に切り替えます。また、マルチイベント分類、インテリジェントMPS、オートクラス、および電源ON/OFF時のグリッチのない遷移を保証するための広いヒステリシスとデグリッチ時間をともなう入力UVLOが特徴です。MAX5996は、入力時100Vまでの最高電圧に対する耐性があります。Analog Devices MAX5996 IEEE 802.3bt準拠の受電デバイスは、壁掛けアダプタの電力の存在を検出し、PoE電源から電源アダプタへのスムーズなスイッチオーバーが可能になります。さらに、電源正常(PG)信号、2段階の電流制限、フォールドバック制御、温度過昇保護も実現しています。
MAX5996は、16ピン、5mm x 5mm、TQFNパワーパッケージに格納されており、-40°C~125°Cの温度範囲に定格されています。
特徴
- 正確な電力テレメトリ(特許申請中)
- 定電力/電流制限(特許出願中)
- LLDP電力/電流レベル読取(特許申請中)
- IEEE802.3bt準拠
- 内蔵90W絶縁スイッチ
- マルチ分類
- マルチイベント電力レベル表示
- シンプルな壁かけアダプタ・インターフェイス
- 起動中の突入電流制限
- 通常動作時の電流制限
- 温度過昇保護
- AutoClass
- グリーンMPSを選択可能
- インテリジェントMPS(特許US9152161)
- 5mm x 5mm、16ピンTQFN
アプリケーション
- IEEE 802.3bt受電デバイス
- VOIPフォン、IPセキュリティカメラ
- ワイヤレス・アクセス・ポイント
- スモールセル、ピコセル
- 照明
- ビルオートメーション
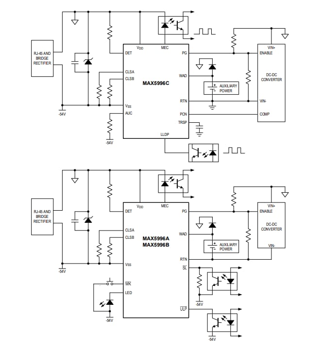
簡略ブロック図
公開: 2021-09-28
| 更新済み: 2025-07-24
