Bourns PER56長寿命インクリメンタル・リング・エンコーダ
Bourns PER56長寿命インクリメンタル・リング・エンコーダは56mm径パッケージになっており、5VDCで10mAの回路互換性および2ビット直交コード出力に対応しています。このインクリメンタルエンコーダは低背で、照明あるいは他の部品を中央に設置できるリングインターフェイスが特徴です。触覚戻り止め帰還、スルーホール取付形式を実現しており、IP40に準拠した密封に対応しています。その他の特徴には、50,000回の回転サイクル定格、15PPRの分解能範囲、60RPMの最大回転速度、-20°C~+70°Cの動作温度範囲があります。Bourns PER56長寿命インクリメンタル・リング・エンコーダは、業務用オーディオおよび照明アプリケーション、低~中リスク医療機器および研究装置、ならびに産業オートメーション制御およびメニュー選択エンコーダが必須となるその他のアプリケーションでの使用を目的に設計されています。特徴
- 低背インクリメンタルエンコーダ(パッケージ径56mm)
- THT取付形式
- 触覚戻り止め帰還
- IP40定格に準じた密封に対応
- RoHS 準拠
アプリケーション
- 業務用照明コンソール
- 民生用白物家電
- 低~中リスクの医療・診断機器
- 試験機器、計測機器
- コミュニケーション装置
- 研究室用の装置
- 産業オートメーション制御
仕様
- 50,000回転サイクル定格
- 15PPRの分解能範囲
- 60RPM(最大)回転速度
- 5VDCで10mAの回路互換性
- 2ビット直交コード出力
- -20°C~+70°C動作温度範囲
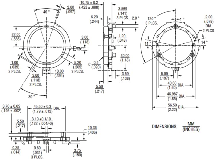
寸法
公開: 2021-04-28
| 更新済み: 2022-03-11
