Cree LED XLamp ML-B LEDs bring high performance and a smooth look to a wide range of lighting applications, including linear lighting, fluorescent retrofits, and retail-display lighting.
Features
- 2,600K to 8,300K CCT Available in white
- ANSI-compatible sub-bins
- Electrically neutral thermal path
- RoHS and REACH-compliant
- Unlimited floor life at ≤30°C/85% RH
Specifications
- 3.3V operating voltage
- 80mA operating current
- 175mA maximum drive current
- 120º viewing angle, uniform chromaticity profile
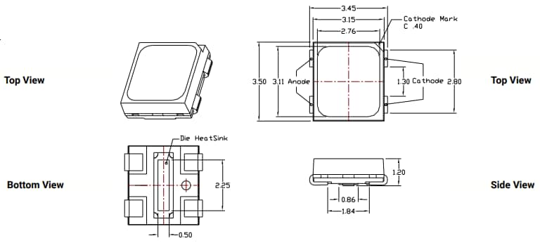
ML-B LEDs Dimensions
公開: 2011-07-28
| 更新済み: 2023-10-06

