Infineon Technologies IR35215MTRPBF多相バックコントローラ
Infineon Technologies IR35215MTRPBF多相バックコントローラは、CPU電圧の安定化を目的に設計された8相デュアルループ電圧レギュレータです。このバックコントローラには、効率形成技術が活用されており、負荷範囲全体で最小限のコストで比類のない効率性を発揮できます。IR35215MTRPBFコントローラには、負荷電流に基づいて位相を上昇/降下させる動的位相制御が備わっています。このバックコントローラは、デジタルプログラミングできる負荷線にも対応しており、これによって外付け負荷線設定部品が不要です。IR35215MTRPBFコントローラは 、プログラマブル単相または二相動作、デジタルプログラミングできる負荷線、両方のループでの適応型過渡アルゴリズム(ATA)、自動位相検出が特徴です。このバックコントローラは、豊富なOVP、UVP、OCP、OTP、CFP障害保護を実現しています。代表的なアプリケーションには、Intel® VR13、VR12.5、VR12、IMVP8ベースのシステム、サーバ、ハイエンド・デスクトップCPU VR、メモリVRがあります。特徴
- デュアルループと位相割当の柔軟性に富んだ低自己消費電力出力PWMコントローラ
- Intel® VR13 rev1.1、VR12.5 rev1.5、VR12 rev1.7、IMVP8 rev1.2、メモリVRモード
- 1位相あたり200kHz~2MHzスイッチング周波数
- ダイナミック位相制御と自動電力状態スイッチングをはじめとするInfineon効率形成機能
- 超軽負荷のためのプログラマブル単相または二相動作、および超軽負荷のためのアクティブ・ダイオード・エミュレーション
- デジタルプログラマブル負荷ライン
- 出力バルクコンデンサとシステムコストを最小限に抑える、両方のループでのInfineon適応型過渡アルゴリズム(ATA)
- PID係数自動スケーリングによる自動位相検出
- OVP、UVP、OCP、OTP、CFP、サイクル毎の電流制限障害保護
- 両方のループの温度、電圧、電流、電力テレメトリのレポートを目的としたI2C/SMBus/PMBusシステム・インターフェイス
- USERセクションのための最大27の書込に対応できる複数時間プログラミング(MTP)
- 業界スタンダードの3.3Vトライステート・ドライバとの互換性あり
- 供給電圧: 3.3V
- -40°C~85°C周囲動作
- 無鉛かつRoHS準拠
- 5mm x 5mm 40ピン、0.4mmピッチQFN
アプリケーション
- Intel VR13、VR12.5、VR12、IMVP8ベースのシステム
- サーバおよびハイ・エンド・デスクトップCPU VR
- メモリVR
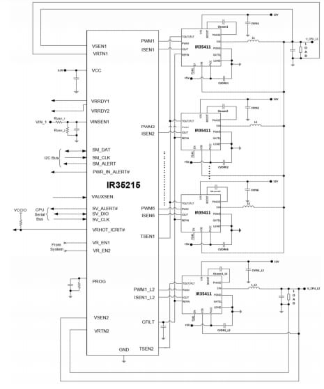
アプリケーション回路図
公開: 2020-08-26
| 更新済み: 2024-11-21
