Lumileds LUXEON® Rebel ES LEDs
Lumileds LUXEON® Rebel ES LEDs give the flexibility necessary for designing luminaires and lamps. Tested and binned at 700mA, LUXEON Rebel ES can be confidently designed into high lumen applications or can be used to create more energy efficient devices. Luminaire manufacturers and designers can count on LUXEON Rebel ES for quality, reliability, and in-device performance.Features
- High lm/$ for cost-competitive applications
- Broad portfolio of emitters for indoor and outdoor applications
- CCT and CRI combinations to support a wide range of applications
- Extensive applications ecosystem for easy design-in and quick ROI
- LM-80 test report available
Applications
- High Bay and low bay
- Outdoor
- Specialty lighting
Additional Resources
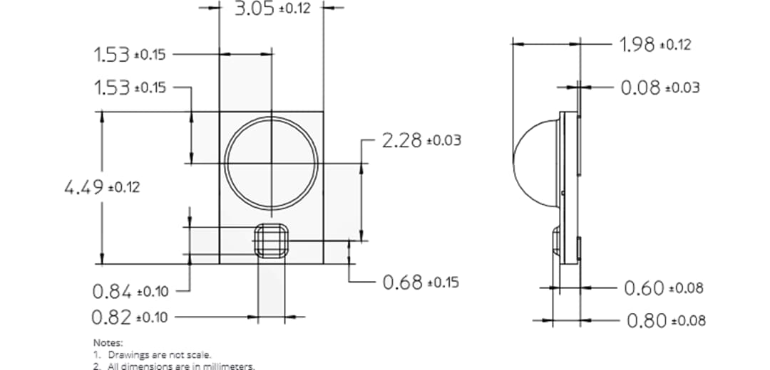
Package Outline
Wavelength Characteristics
公開: 2013-02-01
| 更新済み: 2022-03-11
