Qorvo CMD320C3超低ノイズRFアンプ
Qorvo CMD320C3超低ノイズRFアンプ は、ブロードバンド・モノリシック・マイクロ波集積回路(MMIC)低ノイズアンプで、リードレス3mm x 3mm表面実装 パッケージに格納されています。このRFアンプは、小型サイズ と低電力消費が必要になる電子戦(EW)および通信システムに最適です。Qorvo CMD320C3は、ブロードバンド性能を目的に最適化されており、12GHzで1.07dBの対応する雑音指数で18dBのゲインを発揮します。CMD320C3アンプは、50Ω にマッチングされている設計で、外部DCブロックとRFポートのマッチングが不要です。特徴
- 超低雑音指数
- 高ゲイン・ブロードバンド性能
- 低消費電力
- 無鉛RoHS準拠
- 3mm x 3mm QFNパッケージ
仕様
- 周波数範囲:10.7GHz~12.7GHz
- 18dBゲイン
- 1.07dBノイズ指数
- 32mA供給電流
- 5.5Vddドレイン電圧
- 3.3Vggゲート電圧
- 921mW電力散逸
- 70°C/W熱抵抗
- 動作温度範囲:-40°C~+85°C
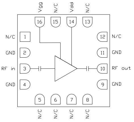
ブロック図
アプリケーション回路
アプリケーション
- レーダー
- Xバンド
- Kuバンド
- EW
- 宇宙
- 衛星通信(Satcom)
- 位相アレイ
公開: 2020-05-22
| 更新済み: 2026-04-21
