ROHM Semiconductor BD9V101MUF-EVK-001評価ボード

ROHM BD9V101MUF-EVK-001評価ボードは、BD9V101MUF-LBの動作を評価するように構成されています。BD9V101MUF-LBは、電流モード同期バック・コンバータで、高電圧定格パワーMOSFETが使用されています。BD9V101MUF-EVK-001評価ボードは、出力電圧5.0V(標準)、出力電流1.0Aが特徴です。また、使用が簡単になるように構成できるスイッチや設定が一切ありません。

特徴

  • FR-4 material
  • 1.6mm board thickness
  • 1oz copper thickness
  • 80mm x 100mm board size
  • 0.15mm minimum copper width
  • 0.15mm minimum air gap
  • 0.3mm minimum hold gap

アプリケーション

• 産業機器
• 民生用消耗品

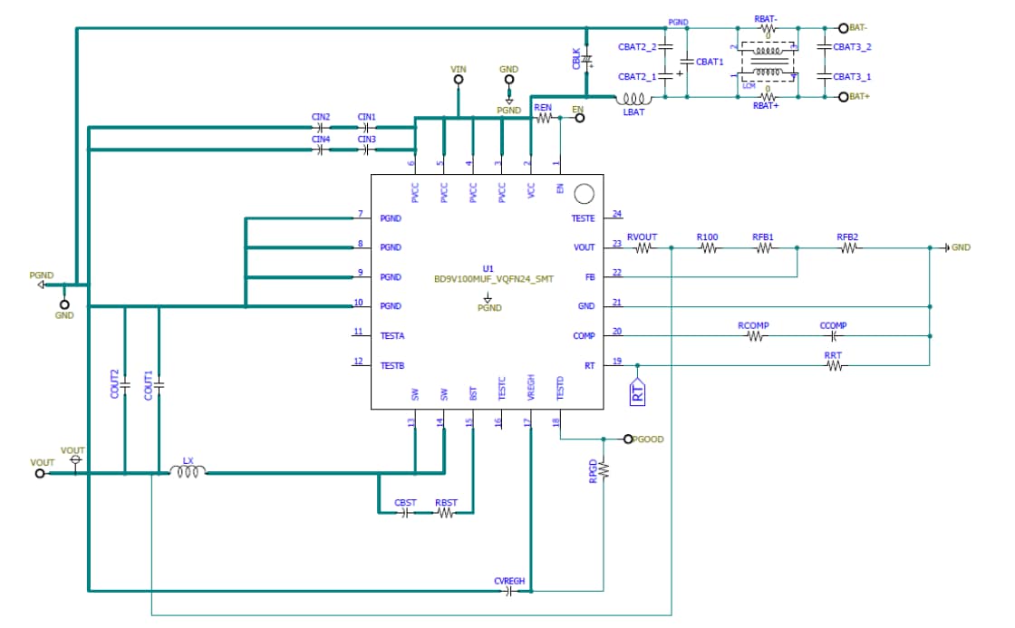
回路図

回路図 - ROHM Semiconductor BD9V101MUF-EVK-001評価ボード

レイアウト

ROHM Semiconductor BD9V101MUF-EVK-001評価ボード
公開: 2019-05-09 | 更新済み: 2024-01-24