![]() |
STMicroelectronics TSX3702 CMOS 電圧コンパレータSTMicroelectronics TSX3702 CMOS 電圧コンパレータはコンパレータごとに5μAと極めて少ない消費電力を実現するミクロパワーCMOS デュアル電圧コンパレータです。このデバイスはTS3702の後続改良品として開発され、低い消費電力と優れた入力オフセット電圧、向上したESD公差が特徴です。TSX3702は幅広い動作温度に対応しており、SO8パッケージの車載用に最適です。TS3702 CMOSコンパレータとの互換性があり、同様のパッケージで提供しています。このコンパクトパッケージ(MiniSO8およびDFN8 2x2mm)はTSX3702用もあり、アプリケーション上で高度なインテグレーションが可能です。 |
|
特徴
アプリケーション |
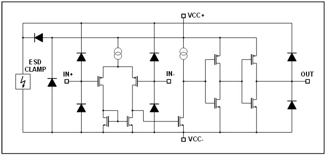
回路図![]() |
に登録する |
公開: 2014-12-15
| 更新済み: 2022-03-21





