TE Connectivity / Measurement Specialties MEASウェザーシールド
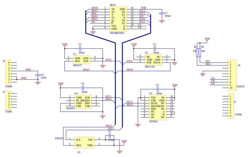
Measurement Specialties / TE Connectivity MEASウェザーシールドは、HTU21Dデジタル相対湿度センサ、MS5637デジタル気圧センサ、TSYS01デジタル温度センサ、MS8607デジタル相対湿度およびデジタル圧力センサ、TSD305-1C55デジタルサーモパイルセンサを、I2C通信用に構成可能なArduino互換拡張ポートを活用している任意のシステムにインターフェイス接続するために必要なハードウェアを提供します。 64のプラグホールパッドがあり、外部デバイスのはんだ付けに使用でき、テスト用のマザーボードにプラグ接続します。特徴
- Provides the necessary hardware to interface sensors to any system that utilizes Arduino compatible expansion ports configurable for I2C communication
- Includes HTU21D digital relative humidity sensor, MS5637 digital barometric pressure sensor, TSYS01 digital temperature sensor, MS8607 digital relative humidity and digital pressure sensor, and TSD305-1C55 digital thermopile sensor
- 64 plug hole pads that can be used for soldering external devices, then plug on the motherboard for testing5
Schematic
公開: 2016-08-09
| 更新済み: 2024-12-19
