Texas Instruments ADS1299-x 24-Bit Analog-to-Digital Converters
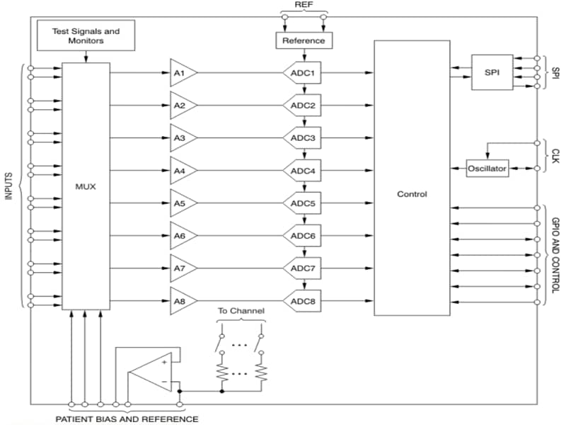
Texas Instruments ADS1299-x 24-Bit Analog-to-Digital Converters (ADCs) are four, six, and eight-channel, low-noise, 24-bit, simultaneous-sampling Delta-Sigma (ΔΣ) Analog-to-Digital Converters (ADCs). These ADCs come with a built-in programmable Gain Amplifier (PGA), internal reference, and an onboard oscillator. The ADS1299-x incorporates all commonly-required features for Extracranial Electroencephalogram (EEG) and Electrocardiography (ECG) applications. With its high levels of integration and exceptional performance, the ADS1299-x enables the creation of scalable medical instrumentation systems at significantly reduced size, power, and overall cost. The ADS1299-x has a flexible input multiplexer per channel that can be independently connected to the internally-generated signals for test, temperature, and lead-off detection. Multiple ADS1299-4, ADS1299-6, or ADS1299 devices can be cascaded in high channel count systems in a daisy-chain configuration.Features
- Up to eight low-noise PGAs and eight high-resolution simultaneous-sampling ADCs
- Input-referred noise: 1µVPP (70Hz BW)
- Input bias current: 300pA
- Data rate: 250SPS to 16kSPS
- CMRR: –110dB
- Programmable gain: 1, 2, 4, 6, 8, 12, or 24
- Unipolar or bipolar supplies:
- Analog: 4.75V to 5.25V
- Digital: 1.8V to 3.6V
- Built-in bias drive amplifier, lead-off detection, test signals
- Built-in oscillator
- Internal or external reference
- Flexible power-down, standby mode
- Pin-compatible with the ADS129x
- SPI-compatible serial interface
- Operating temperature range: –40°C to +85°C
Applications
- Medical instrumentation including:
- Electroencephalogram (EEG) study
- Fetal Electrocardiography (ECG)
- Sleep study monitor
- Bispectral Index (BIS)
- Evoked Audio Potential (EAP)
Block Diagram
Learn More About
TI Reference Designs Library
公開: 2012-10-04
| 更新済み: 2022-03-11
