ADCはポートごとに専用で、連続ポート電流監視を実現しており、ポートの電源ON時間を短縮するために並列分類測定を実行することができます。1.25Aポート電流制限および調整式電力制限によって、60W源を超える非スタンダード・アプリケーションのサポートが可能になります。200mΩ電流センス抵抗器と外部FETアーキテクチャによって、設計においてサイズ、効率、熱、ソリューションのコスト要件のバランスを取ることができます。
TPS23882 Type-3 2ペア8-Ch PoE PSEコントローラとのポート・リマッピングおよびピン対ピン互換性によって、旧世代のPSE設計からの移行が簡単になっており、さまざまなシステムPoE電源構成に対応できる交換可能な2層PCB設計が実現しています。
特徴
- Type-3 2ペア・パワーオーバーイーサネット・アプリケーションを対象としたIEEE 802.3bt PSEソリューション
- レジスタを選択できる自律動作
- MCU調整不要
- TIのFirmPSEシステム・ファームウェアとの互換性あり
- SRAMプログラマブル・メモリ
- プログラマブル電力制限精度±3%
- 200mΩ電流センスレジスタ
- レガシーPD静電容量計測
- 選択可能な2ペアポート電力割当
- 4W、7W、15.4W、または30W
- ポートごとに専用14ビット統合電流ADC
- DC切断用ノイズ免疫MPS
- 2%電流検出精度
- 1または3ビット高速ポートシャットダウン入力
- 自動クラス検出および電力測定
- 無制限4点検出
- 突入や動作フォールドバック保護
- 選択可能な電流制限425mA、1.25A
- ポートの再マッピング
- 8ビットまたは16ビットI2C通信
- 柔軟性に富んだプロセッサ制御動作モード
- 自動、半自動、手動/診断
- 各ポートの電圧監視とテレメトリ
- –40°C~+125°C温度動作
アプリケーション
- ビデオレコーダ(NVR、DVRなど)
- 小規模ビジネススイッチ
- キャンパスおよびブランチスイッチ
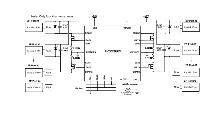
簡略図
公開: 2019-10-17
| 更新済み: 2024-01-04

