u-blox ANNA-B112-01B Bluetooth® 5 スタンドアロンモジュール
U-blox ANNA-B112-01Bスタンドアロン Bluetooth® 5モジュールは、FPUと最先端の電力性能を備えた強力なARM® Cortex®-M4マイクロプロセッサを搭載しています。ANNA-B112にはu-connectXpressソフトウェアがインストールされており、さまざまなデバイスとサービスに対して幅広くサポートを提供します。このモジュールは、u-blox Bluetooth Low Energyシリアルポートサービス、GATTクライアントとサーバ、ビーコン、NFC™を内蔵しています。ANNA-B112モジュールは、(BLEの)同時のペリフェラルロールとセントラルロールにも対応しています。これらは、ATコマンドと2つの代替アンテナ実装を使用して、ホストからすべて設定可能です。ANNA-B112モジュールは、内蔵アンテナと外部アンテナの調整ストリップを一緒に組み合わせたり、外部アンテナを利用可能なアンテナピンにオプションで接続できます。このBluetoothモジュールは、周波数2.4GHzで機能し、データ速度2Mb/sが特長です。ANNA-B112 Bluetoothモジュールは、電源電圧3V~3.6Vおよび温度-40°C~85°Cで動作します。
特徴
- 超コンパクトSiP
- Bluetooth 5およびBluetoothメッシュ
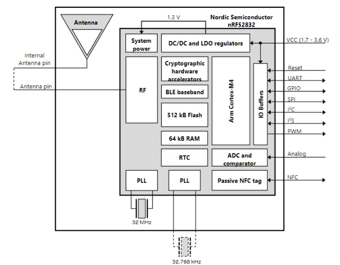
- Nordic semiconductorのnRF52832に基づく
- 64MHz Arm® Cortex®-M4(FPU搭載)
- u‑connectソフトウェアを使用して市場投入までの期間を短縮するオプション
- 内蔵アンテナ/アンテナピン
仕様
- 電源電圧範囲 3V~3.6V
- 動作/保存温度 -40°C~85°C
- 64kB RAM、512kBフラッシュメモリ
- 周波数: 2.4GHz
- 寸法:6.5mm x 6.5mm x 1.2mm
- データレート 2Mb/s
- レシーバ感度 -91dBm
ブロック図
公開: 2020-12-01
| 更新済み: 2025-09-22
