ACEINNA MCR1101 Current Sensor ICs
ACEINNA MCR1101 Current Sensor ICs are ±5A, ±20A, and ±50A fully integrated bi-directional analog output current sensors. These sensor ICs deliver high accuracy and high bandwidth. The MCR1101 sensor ICs incorporate the Anisotropic Magneto Resistive (AMR) sensor technology, providing inherently low noise, excellent linearity, and repeatability. These sensor ICs are suitable for both high-side and low-side bidirectional current sensing and offer a high bandwidth of 1.5MHz (3dB). The MCR1101 sensor ICs are designed to eliminate sensitivity to stray and common mode magnetic fields. These sensor ICs' inherently low output noise avoids the requirement of additional filtering at low currents.The MCR1101 sensor ICs are available in SOIC-16 package and support high isolation. These sensor ICs are UL/IEC/EN60950-1 certified and find their applications in current sense feedback loops in motor, inverters, uninterruptible power supplies, and power factor correction.
Features
- AMR based integrated current sensor
- Superior range and accuracy:
- 0.6% (typical) total error @25°C (438-MCR1101-20-5)
- 2.0% maximum error over temperature (438-MCR1101-20-5)
- Superior frequency response:
- 1.5MHz (typical 3dB bandwidth)
- 500ns (typical) fast output response time
- 0.9mΩ low primary resistance
- Available in both Single 3.3V and Single 5V supply operation
- 4.5mA or 8mA (typical) low power consumption
- Overcurrent fault detection
- SOIC-16 package:
- RoHS/REACH compliant
- -40 to 105°C operating temperature range
- UL/IEC/EN60950-1 certified:
- 4.8kV dielectric strength voltage
- 1097VRMS basic isolation voltage
- 400VRMS reinforced isolation voltage
Applications
- Solar inverters and optimizers:
- Grid-tie and storage current monitoring
- Maximum Power Point Tracking (MPPT) circuit current monitoring
- Central inverter current monitoring
- Motor control loops and protection:
- Automation, robotics, and servo systems
- Automotive and EV power systems
- Server, telecom, and industrial PWR supplies:
- Power aggregation and overcurrent protection
- Dynamic current sensing in feedback loops
- PFC and bridgeless inverter control
- Consumer:
- Motor balance and remote device monitoring
- Home automation control and IoT remote sensing
Additional Resources
Datasheets
Block Diagram
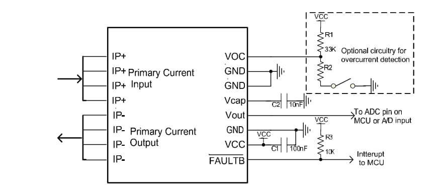
Application Circuit Diagram
Package Dimensions
Videos
公開: 2019-01-22
| 更新済み: 2023-07-26
