Allegro MicroSystems ACSEVB-LH5 Bare Evaluation Board
Allegro MicroSystems ACSEVB-LH5 Bare Evaluation Board is compatible with the ACS37041 integrated Hall-effect current sensor IC and LH (SOT23-W 5) package. This board offers improved thermal performance and heat dissipation enabling precise measurements. The ACSEVB-LH5 evaluation board features a flexible layout for user-installed connection points. This evaluation is used in applications such as clean energy micro inverters, industrial motor drivers, and personal mobilities.Features
- Improved thermal performance:
- 6-layer PCB with 2 oz copper weight on all layers
- Nonconductive-filled via-in-pad
- High-performance FR4 material with 180° glass transition temperature
- Allows measurement of integrated current loop resistance after test point installation
- Flexible layout for user-installed connection points:
- 2-pin headers
- SMA/SMB connector
- Standard keystone test points
- Includes in-pad vias
Applications
- Industrial motor drivers (<100V)
- Clean energy string inverter (optimizer)
- Clean energy micro-inverter
- Personal mobilities:
- E-bikes
- E-scooters
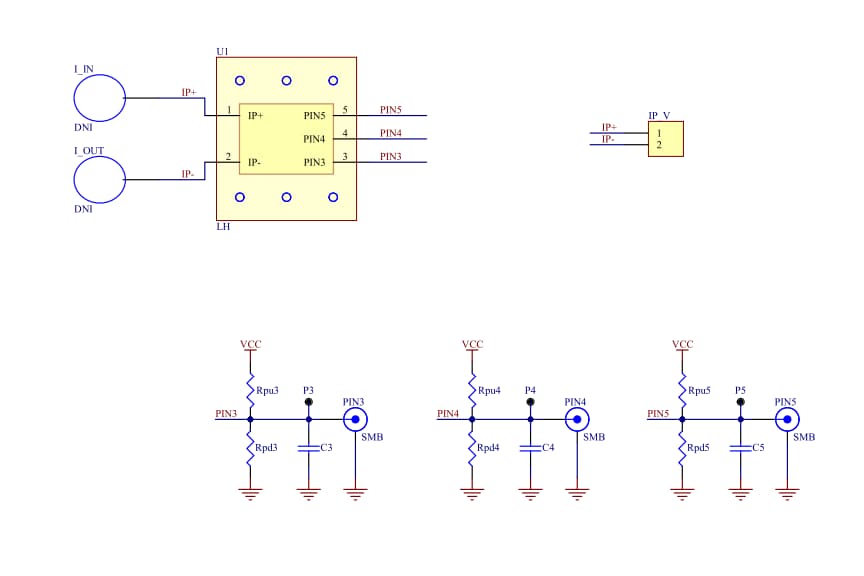
Board Description
1) U1 is an LH package footprint (pin 1 is on the bottom left side of the package footprint, the small white dot to the left of the package footprint).
2) U1 pins (5 to 3) allow the option to connect:
RPU - Pull-up resistor to VCC
RPD - Pull-down resistor to GND
C - Decoupling or load capacitor to GND
3) Optional through hole test points (keystone 5005 test points)
4) Optional standard SMB or SMA connection points
5) Optional 2-pin 100mil header connector (note - either SMB or header can be assembled)
6) Primary current cables mounting positions (positive current flow direction is left to right)
7) Optional 2-pin 100mil header connector for voltage drop measurement across the integrated current loop of the current sensor
8) RB1, RB2, RB3, and RB4 rubber bumper mounting positions
Schematic Diagram
