SOICW-16パッケージ構造は、導体内の電流によって発生する磁界を磁気的に結合させることで高い絶縁性を実現します。この磁界は、集積された電流導体と物理的接続を持たないモノリシック・ホールセンサICに伝達されます。MAパッケージは絶縁性の向上を最適化しており、耐電圧5000VRMS、導体抵抗0.85mΩを実現しています。
Allegro MicroSystemsのACS71010ホール効果電流センサは、プログラミングを必要とせず、外部から設定可能な堅牢な動作特性を備えております。高速過電流故障出力により、システム保護のための短絡検出機能を実現し、故障閾値は電流範囲に比例して設定可能で、アナログ入力により設定いただけます。リファレンスピンは0A出力電圧に対応する安定した電圧を供給します。この基準電圧により差動測定が可能となり、過電流故障閾値設定用のデバイス基準電圧が得られます。
本デバイスはRoHS指令に準拠し、鉛(Pb)フリーで、100%つや消しスズメッキ処理されたリードフレームを採用しております。
特徴
- 高速制御ループや高速電流の監視に最適な高い動作帯域幅
- 400kHzの帯域幅
- 1.1µsの標準応答時間
- 最適化されたエネルギー用途向けの高性能
- 温度範囲(3σ、-40°~+105°C)において、感度誤差0.6%未満、最大オフセット電圧±4mV
- VREF出力による非比測定動作
- 外部磁界に対する高い耐性を実現する差動センサ
- 磁気ヒステリシスなし
- 調整可能な高速過電流保護機能(標準応答時間1マイクロ秒)
- 低内部一次導体抵抗 0.85mΩ
- UL 62368-1(第3版)認証取得、高絶縁コンパクトSOICW-16表面実装パッケージ
- 5000VRMS 耐電圧
- 1097VRMS/1550VDC 基本絶縁電圧
- 565VRMS/800VDC 強化絶縁電圧
- 最適化された温度範囲:-40℃~+105℃、機能動作は+125℃まで対応
- AEC-Q100グレード2 自動車用認定(審査中)
アプリケーション
- 太陽光発電(PV)用インバータ
- 太陽光発電モニタリング
- 最大電力点追従(MPPT)
- 電気自動車(EV)充電
- エネルギー貯蔵システム(ESS)
- 電源装置(UPS、SMPS)
- 直流/交流相電流センサ
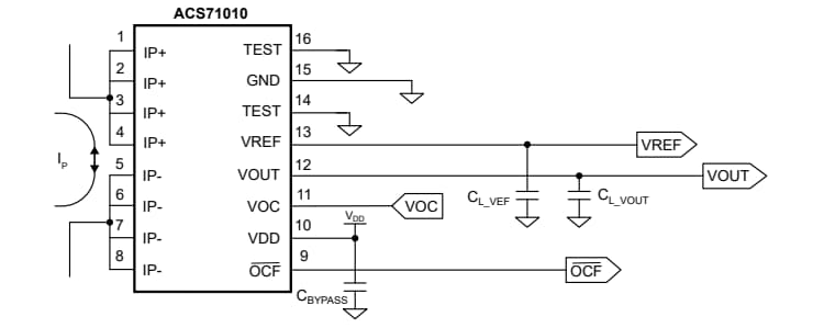
典型的な双方向アプリケーション
ブロック図
公開: 2025-06-18
| 更新済み: 2025-07-03

