Amphenol / SV Microwave 逆取付スルーホールRF PCBコネクタ
Amphenol / SV Microwave のリバースマウントスルーホールRF PCBコネクタは、ビア遷移を排除することで優れた信号完全性を実現し、高周波設計に最適です。これらのリバースマウントRFコネクタは、寄生要素を低減し、配線を簡素化し、PCBスタックアップを削減することで、最新のRFシステムにおける機械的統合性を向上させます。Amphenol / SV Microwave のリバースマウントスルーホールRF PCBコネクタは、SMPシリーズおよびSMPMシリーズで提供され、最大40GHzまで対応可能です。特徴
- 直接信号経路によって、挿入損失と反射を低減
- 省スペース、薄型の機械的統合
- PCB上部からケーブルを排除
- クリーンで予測可能なインピーダンス遷移
- 最大26.5GHz (SMP)または40GHz (SMPM)周波数
- 50Ωインピーダンス
アプリケーション
- レーダーおよび衛星通信
- コンパクトなモジュール
- ミリ波システム
- 5G
データシート
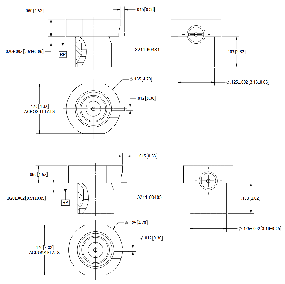
SMPの製品図面
SMPMの製品図面
公開: 2025-10-14
| 更新済み: 2025-10-23
