Analog Devices Inc. ADA4511-2レールtoレール入力/出力オペアンプ
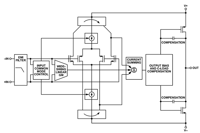
Analog Devices Inc. ADA4511-2レールtoレール入出力オペアンプは、デュアルチャンネル、40V、高精度、低入力バイアス電流、低オフセット電圧、低オフセット電圧ドリフト、低ノイズ、レールtoレール入出力オペレーショナルアンプ(オペアンプ)です。このオペアンプは、センシング、コンディショニング、出力ドライブをはじめとする任意のシグナルチェーンポイントで使用できます。トリミングにより、ADA4511-2は低オフセットドリフト(標準±0.4μV/°C、最大 ±2μV/°C)および低オフセット電圧(標準±25μV、最大 ±75μV)を実現しています。Analog Devices ADA4511-2は、トップDC精度とAC精度を発揮し、さまざまなシグナルチェーンアプリケーションに適しています。堅牢なmux互換アーキテクチャを統合することによって、ADA4511-2は、多重マルチチャンネル高精度シグナルチェーンに必要な優れた精度を実現しながら、共通のシステム歪みとセトリング問題を効果的に解決します。ADA4511-2は、-40°C~+125°Cに指定されており、8-lead、SOIC_Nパッケージでご用意があります。
特徴
- 低± 2μV/°C最高オフセット電圧ドリフト
- 低± 75μV 最大オフセット電圧
- 標準0.1Hz~10Hzの低1μV p-p電圧ノイズ
- f = 1kHzで標準5nV/√Hzの低電圧ノイズ密度
- 高140dB標準コモンモード除去
- 低± 10pA最大入力バイアス電流
- ワイド10.4MHz標準ゲイン帯域幅製品
- 高19V/μs標準スルーレート
- f = 1kHzでの低-134dB THD
- アンプあたり標準1.45mAの低自己消費供給電流
- 統合EMIフィルタ
- レール・ツー・レール出力
- 広い供給電圧動作
- 6V - 40V
- ±3V~±20V
- マルチプレクサ互換入力
- 差動およびコモンモード・レール・ツー・レールの高インピーダンス入力
- 高速セトリング時間
- 位相反転なし
- 1nF大容量負荷駆動能力
- -40°C~+125°Cの広い温度範囲
- 8-lead標準小型外形パッケージ(SOIC_N)でご用意あり
アプリケーション
- データアクイジションシステム
- 多重入力シグナルチェーン
- 産業オートメーション
- 医療機器
- テスト装置および計測
- 高精度電流測定
- フォトダイオードアンプ
標準アプリケーション回路
回路図
公開: 2024-03-07
| 更新済み: 2025-09-30
