Analog Devices Inc. ADP1034マイクロパワー管理装置(PMU)

Analog Devices Inc. ADP1034マイクロパワー管理装置(PMU)は、絶縁型フライバックDC-DCレギュレーター、バックブースト、降圧型DC-DCレギュレーターを組み合わせた高性能の絶縁型PMUです。ADP1034 PMUには、4つの高速シリアル・ペリフェラル・インターフェイス(SPI)絶縁チャネルと、チャネル間アプリケーション用の3つの汎用アイソレータがあります。このPMUは、4.5V~60Vの広い入力供給電圧範囲で動作します。ADP1034 PMUには、2.61W出力電力で86%の標準効率が備わっています。このPMUには、高速、低伝搬遅延、SPI信号絶縁チャンネルが備わっています。アプリケーションには、工業オートメーションとプロセス制御、計装機器とデータアクイジションシステム、およびデータと電力の分離が含まれます。

特徴

  • 4.5V ~ 60Vのワイド入力供給電圧範囲
  • 集積フライバック電源スイッチ
  • 絶縁された独立したレジスタプログラマブルバイポーラ出力、および工場出荷時にプログラミングできるバック出力を生成:
    • 6V ~28V VOUT1
    • 5V VOUT2
    • -24V~-2V VOUT3
  • 2.61W出力電力で標準効率86%
  • シリアルコマンドを介してVOUT1 を調整するためのプログラマブル電力制御ピン(PPC _ IN)
  • 1:1の比率のトランスを使用し、トランス設計を簡素化
  • SYNC入力を使用して調整できるスイッチング周波数
  • ピーク電流制限と過電圧保護
  • 1台のレギュレータごとの内部補償とソフト起動制御
  • 高精度イネーブル入力
  • 高速、低伝搬遅延、SPI信号絶縁チャンネル
  • 3つの100kbps汎用絶縁データチャンネル
  • 全体的な小型ソリューションサイズが実現する41リード、9mm × 7mm LFCSPフォームファクタ
  • -40°C~125°C動作接合部温度範囲
  • 安全および規制に関わる承認(申請中)
    • CISPR11 Class B放射放出
    • UL認証: 2,500Vrms で1分間(UL 1577による)
    • CSA部品受け入れ通知書5A:
      • スレーブ、マスタ、フィールド電力ドメイン間の300Vrms 基本絶縁(IEC 61010-1、申請中)
    • VDE適合証明:
      • DIN VDE 0884-10 (VDE 0884-10): 2006-12
      • VIORM = 565Vピーク

アプリケーション

  • 産業オートメーションおよびプロセス制御
  • 計装機器とデータアクイジションシステム
  • データおよび電源絶縁

標準アプリケーションの回路図

アプリケーション回路図 - Analog Devices Inc. ADP1034マイクロパワー管理装置(PMU)

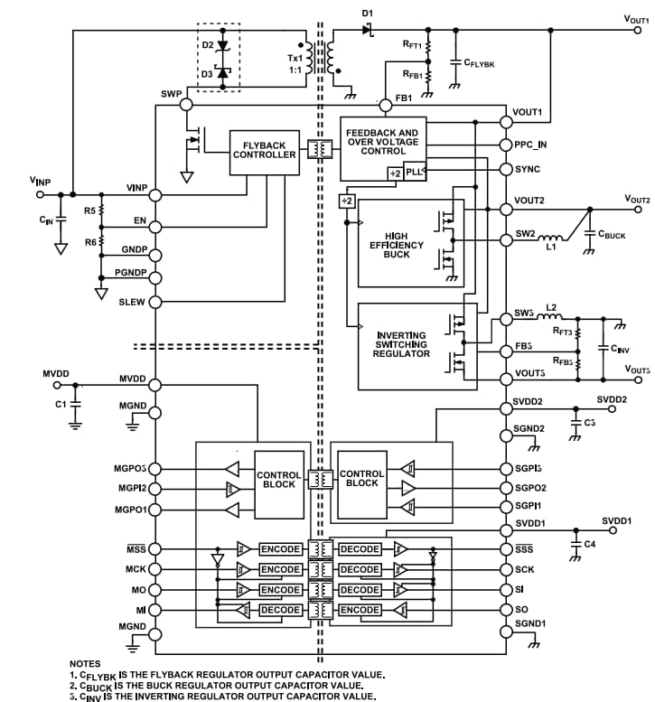
ブロック図

ブロック図 - Analog Devices Inc. ADP1034マイクロパワー管理装置(PMU)
公開: 2022-06-08 | 更新済み: 2025-03-10