ホーム
最新製品
新製品(メーカー別)
Analog Devices Inc.
ADuM5401xクワッドチャンネル・デジタル・アイソレータ - ADI
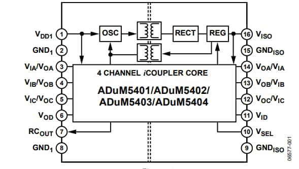
Analog Devices Inc. ADuM5401xクワッドチャンネル・デジタル・アイソレータ
拡大
Analog Devices Inc. ADuM5401xは、クワッドチャンネル・デジタルアイソレータで、isoPower
® が統合されており、絶縁dc-to-dcコンバータが搭載されています。このDC-DCコンバータは、iCoupler
® テクノロジーに基づいており、最大500mWの安定化が図られた絶縁電力を実現、5V入力電源から5Vまたは3.3Vのいずれかで電力が絶縁されています。
特徴
isoPower統合・絶縁dc-dcコンバータ
安定化3.3Vまたは5V出力
最大500mW出力電力
クワッドdc-to-25Mbps (NRZ) 信号絶縁チャンネル
16リードSOICパッケージ(7.6mm海面距離)
最高動作温度: 105°C
>25kV/μs の高いコモンモード過渡電圧耐性
安全および規制に関わる承認:
UL認識
CSA部品受け入れ通知書5A
VDE適合証明:
IEC 60747-5-2 (VDE 0884, Part 2)
VIORM = 560Vピーク
アプリケーション
RS-232/RS-422/RS-485トランシーバ
産業分野バス絶縁
電源起動バイアスとゲート・ドライブ
Related Products
5チャンネル/6チャンネルアイソレータで、3kVpk以上のノイズが混入することなく耐える
堅牢な3.0kVrms 5チャンネルデジタルアイソレータで、フェイルセーフが備わっています。
Represents an isolated 12-bit, 300kSPS data acquisition system.
Related Solutions
優れた品質と信頼性を実現のための信号処理および高性能シミュレーションテクノロジーです。
拡大
公開: 2019-10-16
| 更新済み: 2024-03-06