Analog Devices Inc. EVAL-LTC7899-AZ評価用ボード
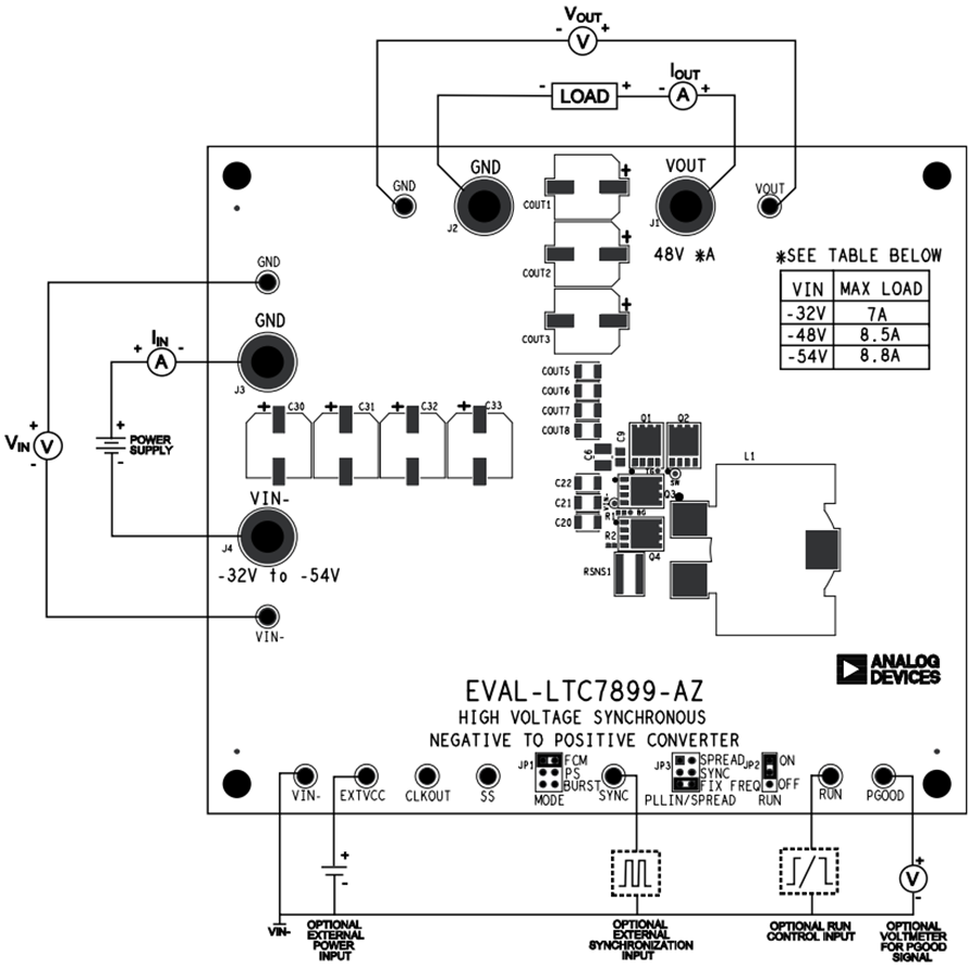
Analog Devices EVAL-LTC7899-AZ評価用ボードは、LTC7899(140V、低IQ、プログラム可能な5V~10Vゲート駆動対応の負電圧入力から正電圧出力への同期整流式コントローラ)を搭載しています。EVAL-LTC7899-AZは、組立とテストが完了しているボードで、LTC7899の性能を評価できます。この評価回路は、-32V~-54Vの入力電源から最大8.8Aの負荷電流で48Vの正出力を供給するよう設計されています。このボードは、150kHzのスイッチング周波数でプログラムされており、最大97.3%のピーク効率を実現します。この評価回路は、120V FETを用いて設計されています。類似フットプリントのさまざまなFETを代替してさまざまなアプリケーションに適合できます。Analog Devices EVAL-LTC7899-AZは、負電圧入力から48Vの正電圧出力を生成できる、高性能で費用対効果に優れたソリューションです。アプリケーション
- 産業用電源システム
- 防衛/アビオニクス
- テレコミュニケーション電源システム
その他のリソース
テストセットアップ
ボードレイアウト
公開: 2025-09-16
| 更新済み: 2025-12-23
