Analog Devices Inc. HMC7586 I/Qダウンコンバータ
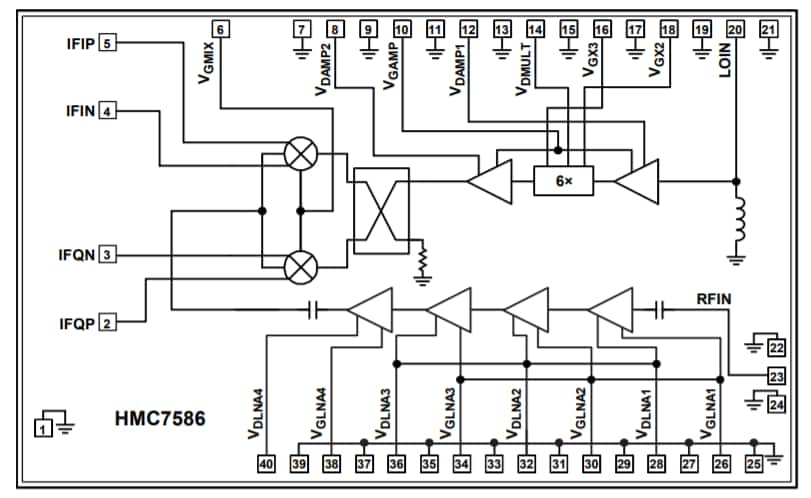
アナログ デバイス HMC7586 I/Qダウンコンバータは、統合型 Eバンド GaAs、MMICの同相/直交(I/Q)ダウンコンバータチップです。 HMC7586ダウンコンバータは、71GHz~76GHzの周波数帯域で動作し、 12.5dB(typ.)の小信号変換ゲインを実現します。 このデバイスは、低ノイズアンプとその後段にLOマルチプライアの6倍で駆動されるイメージ除去ミキサーを用いています。 HMC7586ダウンコンバータは、ダイレクトコンバージョンのアプリケーション用に、差動のIとQのミキサー出力を備えています。特徴
- Conversion gain is 12.5dB (typical)
- Image rejection is 28dBc (typical)
- Noise figure is 5dB (typical)
- Input power for 1dB compression (P1dB) is -9dBm (typical)
- Input third-order intercept (IP3) is -1dBm (typical)
- Input second-order intercept (IP2) is 20dBm (typical)
- 6 x Local Oscillator (LO) leakage at RFIN is -40dBm (typical)
- 1 x LO leakage at IFOUT is -50dBm (typical)
- Radio Frequency (RF) return loss is 5dB (typical)
- LO return loss is 20dB (typical)
- Die size is 3.599mm x 2.199mm x 0.05mm
アプリケーション
- E-band communication systems
- High capacity wireless backhauls
- Test and measurement
Functional Block Diagram
公開: 2016-10-11
| 更新済み: 2022-03-11
