特徴
- 1Mspsスループット・レート
- 16ビット、18ビット、20ビット保証ノーミッシング・コード
- 低消費電力: 1Mspsで13.5mW、1kSPSで13.5µW
- デジタル・ゲイン圧縮(DGC)
- 最高125°Cまで保証された動作
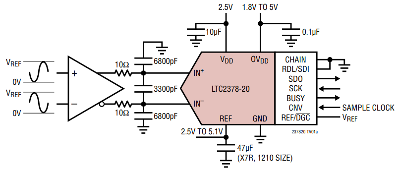
- 2.5V供給
- 完全差動入力範囲±VREF
- VREF入力範囲2.5V~5.1V
- パイプライン遅延/サイクルレイテンシなし
- 1.8V~5V I/O電圧
- SPI互換シリアルI/O(デイジーチェーン・モード搭載)
- 内部変換クロック
- 16リードMSOPおよび4×3mm DFNパッケージ
アプリケーション
- 医療用画像処理
- 高速データ収集
- ポータブルまたはコンパクトな計測機器
- 産業用プロセス制御
- 低消費電力バッテリ駆動計器
- ATE
公開: 2018-10-02
| 更新済み: 2023-02-28

