LTC3256は、広い動作範囲全体で2:1モードで充電ポンプを稼働させることで効率性を最大限に高めています。このコンバータは、必要に応じてVINと負荷条件に基づいて、自動的に1:1モードに切り替わります。このデバイスの制御された入力電流およびスイッチングスルーレートによって、伝導および放射EMIの両方が最小限に抑えられます。信頼性の高いシステム動作と障害監視は、統合ウォッチドッグタイマ、独立したパワーグッド出力、リセット入力を介して保証されます。LTC3256のバッファ1.1Vリファレンス出力によって、安全性が重要なアプリケーションを対象とした自己テストシステムが可能になります。
特徴
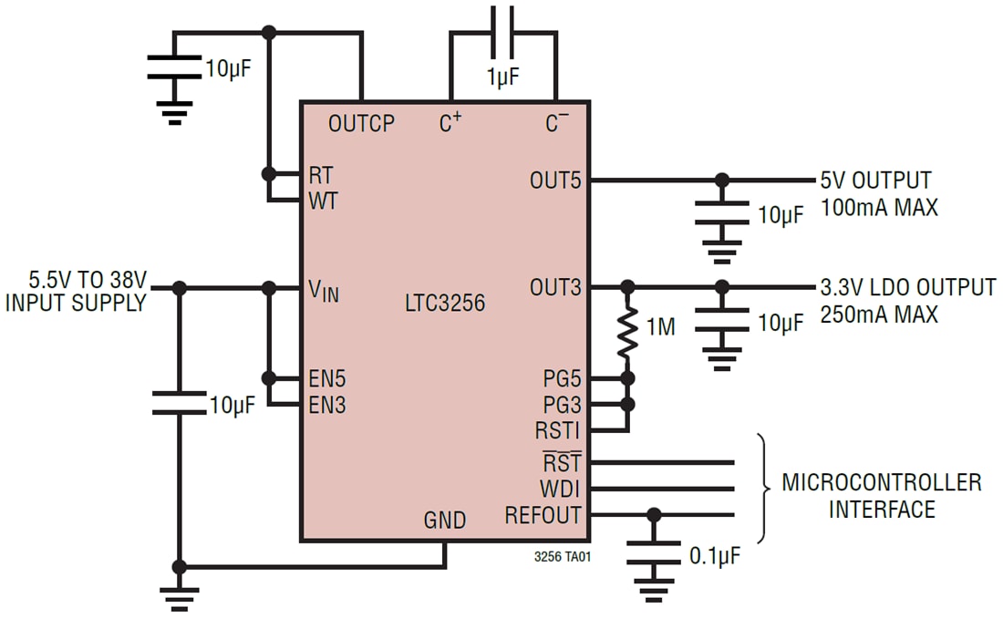
- 入力電圧範囲: 5.5V~38V
- 5Vおよび3.3V固定出力が個別に可能
- 5V出力: 最大100mA
- 3.3V LDO出力: 最大250mA
- 自動モード切替搭載マルチモード降圧型充電ポンプ(2:1、1:1)
- 低静止電流
- 両方の出力での20μAの安定化(無負荷)
- シャットダウン状態では0.5μA
- ISO26262システムでの診断範囲のための設計
- システム診断用1.1Vリファレンス出力
- 調節可能なタイミングを用いたパワーオンリセットおよびウォッチドッグコントローラ
- 各出力での過電流障害保護
- 過熱保護
- 150°Cの最大動作接合部温度
- 熱特性が改善された16ピンMSOPパッケージ
アプリケーション
- 車載用ECU/CANトランシーバ電源
- 産業/テレコム用ハウスキーピング用品
- より低い消費電力12V〜5Vおよび3.3V変換
代表的なアプリケーション
公開: 2017-05-04
| 更新済み: 2022-03-24

