Analog Devices Inc. LTC4124 100mAワイヤレス・リチウムイオン充電器
Analog Devices Inc.LTC4124 100mAワイヤレス・リチウムイオン充電器は、シングルチップ・ワイヤレス・パワー・レシーバ、フル機能登載リニアバッテリ充電器、理想ダイオードPowerPath™コントローラ・ソリューションです。LTC4124は、ピンセレクタブル充電電流(最大100mA)と充電電圧が特徴で、必要な外付け部品数を最小限に抑えながら汎用性を確保します。LTC4124でのワイヤレス充電によって、エンクロージャ内で密閉しながらデバイスを充電でき、スペースに制約のあるアプリケーションでのかさばるコネクタが排除されています。 また、露出した導電性コネクタを排除することで、さらに堅牢なデバイスを作成できるとともに、労力のかからないエンドユーザー体験が保証されます。LTC4124には、安全な温度制限充電のためのNTC入力が備わっており、低バッテリ切断によって過放電によるバッテリの損傷を防ぎます。
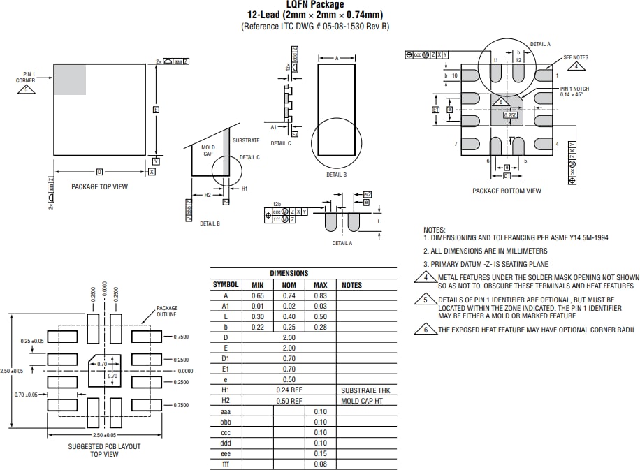
このコンパクトな2mm x 2mm LQFN(クアッド・フラット・ノーリード)パッケージと最小限の外部部品によって、LTC4124は、小型ソリューション・サイズが必須の低消費電力ポータブル・アプリケーションに最適です。
特徴
- 完全なワイヤレス・パワー・レシーバ、リチウムイオン充電器、PowerPath™コントローラ
- ワイヤレス入力電力制御と整流
- 広帯域ワイヤレス電力周波数: DC~>10MHz
- ピン選択可能な充電電流: 10mA/25mA/50mA/100mA
- ピン選択可能な充電電圧: 4.0V/4.1V/4.2V/4.35V
- ピン選択可能な低バッテリ切断: 2.7V/3.2V
- 切断/出荷モードでのゼロ・バッテリ・ドレイン電流
- 低バッテリ・プリ充電電流用のピンセレクタブル・イネーブル
- 温度認定済充電のためのNTC入力
- 安全充電終了タイマー
- 外付け部品がほとんど不要の小型トータル・ソリューション・サイズ
- 小型熱強化LQFN-12パッケージ
- パッケージの寸法: 2mm × 2mm
- RoHSおよびWEEE準拠
アプリケーション
- 医療用ワイヤレスセンサ
- 軍事ウェアラブル
- ハイエンド・ワイヤレス・ヘッドセット
- Bluetooth接続を用いたストリーミングヘッドセット
- バーチャルリアリティヘッドセット
- ハイエンド・リモート制御
- IoTデバイス
その他の資料
最適な電力伝送および安全機能が搭載された完全で効率的な100mAワイヤレス充電ソリューション
LTC4124は、高性能100mAワイヤレス・リチウムイオン充電器レシーバで、外付け部品数がわずかなコンパクトなソリューション実現しています。LTC4125とペアにすることによって、安全で効率的なワイヤレス充電環境が作成されます。
ブロック図
標準アプリケーション回路
パッケージ図
公開: 2019-03-28
| 更新済み: 2023-08-22
