Analog Devices Inc. LTC5597 RMSパワー検出器(0.1GHz~70GHz)
Analog Devices Inc. LTC5597 RMS電力検出器(0.1GHz〜70GHz)は、100MHz~70GHzの広い周波数範囲全域でRF信号を計測するように設計されています。LTC5597は、CW、WCDMA、OFDM(LTE、Wi-Fi®)信号などのさまざまなクレスト係数により、入力波形の影響を受けないRF電力を測定します。最大35dBまでのダイナミックレンジは、完全ケース温度範囲内で非常に安定した出力で達成されます。このデバイスは、ポイント-to-ポイントのマイクロ波リンク、計装、電力制御アプリケーションといった広範なRFおよびマイクロ波アプリケーションに適しています。LTC5597 RMSパワー検出器(0.1GHz ~ 70GHz)のDC出力電圧は、RF入力に適用される平均信号電力を正確に表しています。応答は、35dBダイナミックレンジで28.5mV/dB対数スロープを用いたリニアインdBで、通常は±1dBより優れた精度が備わっています。このデバイスは、最高12dBまでのクレスト係数(CF)での波形で、測定中のクレスト係数の大幅な変動を示す波形の測定に特に適しています。
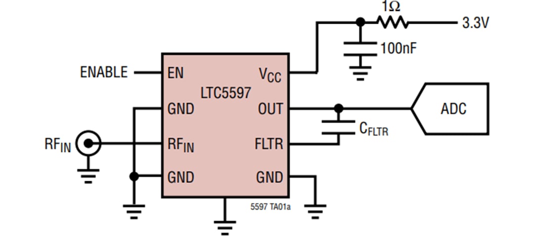
より高い精度とより低い出力リップルを達成するために、FLTRとOUTピンの間に接続されたコンデンサは、平均帯域幅を外部で調整できます。イネーブルインターフェイスによってデバイスのモードをアクティブ測定モードと低消費電力シャットダウンモード間で切り替えます。
Analog Devices LTC5597 RMSパワー検出器は、コンパクトな8ピン・デュアルフラットの無鉛(DFN)パッケージで提供されます。スペースに制約のあるアプリケーションに最適です。
特徴
- 入力周波数範囲は100MHz ~ 70GHzと非常に広範囲
- 35dB線形ダイナミックレンジ(<±1dB誤差)
- 28.5mV/dB対数スロープ
- 100MHz~60GHzで±2dBフラット応答
- 入力波形に依存しない最高12dBまでの高波高係数の正確なRMS電力計測
- 低消費電力シャットダウンモード
- 3V(typ.)での電源電流が33mAと低い
- 動作温度範囲
- -40°C~+105°C (LTC5597I)
- -40°C~+125°C (LTC5597H)
- 保証されたログスロープとログインターセプト
- ESD定格
- 2500V HBM
- 1500V CDM
- 2mm x 2mmプラスチックDFN8パッケージ(露出パッド付き)
アプリケーション
- ポイント・ツー・ポイントマイクロ波リンク
- 5G、LTE、Wi-Fi、ワイヤレスネットワーク
- SATCOM
- 器具類および計測装置
- 軍事無線
- RMS電力測定
- 受信および送信ゲイン制御
- RF PA送信電力制御
標準アプリケーション回路
ピン指定とパッケージ外形
周波数に対する出力電圧
出力電圧 vs RF入力電力
公開: 2020-08-05
| 更新済み: 2024-10-28
