Analog Devices Inc. LTC7068 150Vハーフブリッジ・ドライバ
Analog Devices Inc. LTC7068 150Vハーフブリッジ・ドライバは、最大150Vの入力電圧で動作し、電源に依存しない3状態パルス幅変調(PWM)入力論理を特徴とするハーフブリッジ・デュアルNチャネルMOSFETゲートドライバです。強力な1.3Ωプルダウンおよび1.6Ωプルアップドライブ機能は、高スイッチング周波数アプリケーションで遷移時間を短縮し、高電圧MOSFETの大きなゲート容量を可能にします。適応型シュートスルー保護は、効率性の最適化とMOSFETの交差伝導保護のために設計されています。LTC7068には、VCC 電源とフローティング・ドライバ電源の両方に不足電圧ロックアウト(UVLO)回路が含まれており、これがアクティブになる時に外付けMOSFETがオフになります。特徴
- IC電源電圧 VCC に依存しない150Vの最大入力電圧
- 6V~14VのVCC および下部ゲートドライバ電圧
- 4V~14Vの上ゲートドライバ電圧
- 1.3Ωプルダウン、1.6Ωプルアップ
- 適応型シュートスルー保護
- イネーブルピンを用いた3ステートPWM入力
- VCC UVLOおよびフローティング電源UVLO
- デュアルNチャンネルMOSFETをドライブ
- 熱強化された10リードミニ・スモール・アウトライン・パッケージ(MSOP)で利用可能
アプリケーション
- 産業用電源システム
- ハーフブリッジDC/DCコンバータ
- テレコミュニケーション・パワーシステム
代表的なアプリケーション
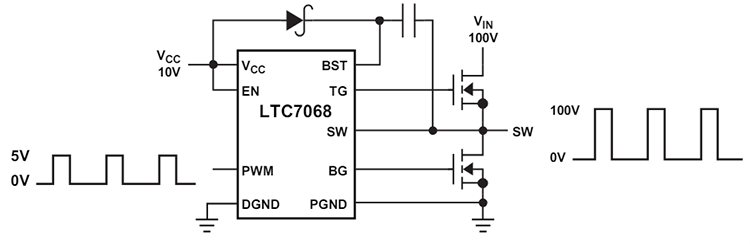
ブロック図
公開: 2024-07-02
| 更新済み: 2024-07-09
