LTM2881/LTM2885の結合インダクタおよび絶縁電力伝送によって、ライントランシーバとロジックインターフェイスとの間で2500/6500VRMSの絶縁を供給します。統合低EMI DC/DCコンバータは、インターフェイスの両側に電力を供給します。また、このコンバータは、最大5Vの追加絶縁出力供給も実現しています。
トランシーバは、外付け部品を必要としない完全μModuleソリューションで、絶縁シリアルデータ通信を対象としています。このデバイスは、スルー限定モードで最大20Mbpsまたは250kbpsのデータレートを達成しています。LTM2881/LTM2885トランシーバは、最大50kV/μsのコモンモード過渡を目的とした連続通信を保証します。ESD保護強化によって、このトランシーバには、ラッチアップまたは損傷なしで、±15kVに対する耐性があります。このトランシーバは、接地ループが遮断され、コモンモード電圧変動が存在するシステムに最適です。
特徴
- RS485/RS422トランシーバ:
- 1分間で2500VRMS(LTM2881)
- 1分間で6500VRMS(LTM2885)
- UL CSA認定申請番号E151738(LTM2881)
- CSA部品受け入れ通知書5A(LTM2881)
- 絶縁DC電力: U200mAで5V
- 外付け部品不要
- 20Mbpsまたは低EMI 250kbpsデータレート
- 高ESD: トランシーバー・インターフェイスで±15kV HBM
- 高コモンモード過渡電圧耐性:
- 30kV/μs (LTM2881)
- 50kV/μs (LTM2885)
- 統合選択可能120Ω終端
- 3.3V(LTM2881-3)または5.0V(LTM2881-5)動作
- 柔軟性に富んだデジタルインターフェイス用1.62V~5.5Vロジック電源
- 最大連続動作電圧:
- 560Vピーク(LTM2881)
- 690VRMS(LTM2885)
- 高入力インピーダンスフェイルセーフRS485レシーバ
- 電流制限ドライバと熱シャットダウン
- TIA/EIA-485-AおよびPROFIBUSとの互換性あり
- 内部故障状態時の高インピーダンス出力
- 低電流シャットダウンモード(<10μA)
- 汎用CMOS絶縁チャンネル
アプリケーション
- 絶縁RS485/RS422インターフェイス
- 工業用ネットワーク
- RS485グランドループの切断
- 絶縁PROFIBUS-DPネットワーク
追加リソース
LTM2881の代表的なアプリケーション
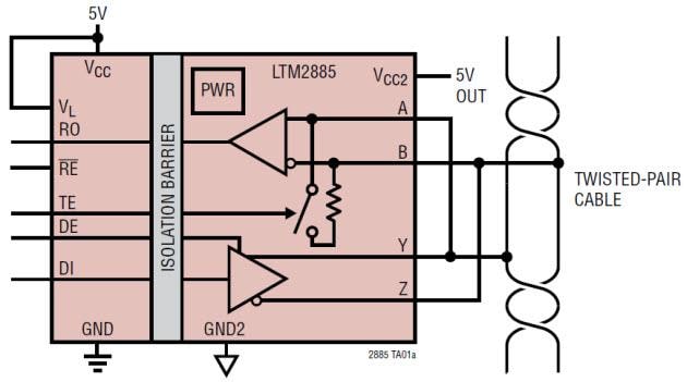
LTM2885の代表的なアプリケーション
公開: 2017-05-12
| 更新済み: 2022-03-29

