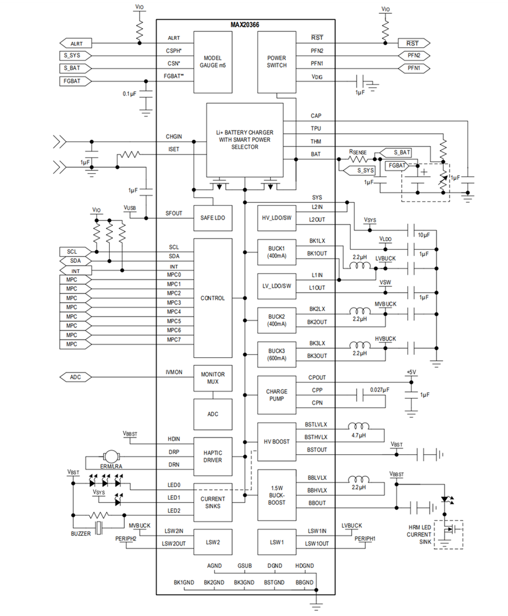
ADIのMAX20366は、複数のバックスイッチング、昇降圧コンバータおよびリニアレギュレータを含む、電力最適化された柔軟な電圧レギュレータセットを統合しています。この組み合わせにより、高い統合度が実現され、完全に最適化された電力アーキテクチャの構築が可能となります。各レギュレータの超低静止電流により、常時オンのアプリケーションにおいてバッテリ寿命が延びます。
MAX20366は、バッテリシール、チャージャ、電力経路、燃料計を備えた包括的なバッテリ管理ソリューションを提供します。このチャージャには、内蔵の熱管理機能と入力保護機能があります。このデバイスには、特定の製品UX要件に合わせて複数のカスタマイズ可能な入力を備えた工場でプログラム可能なボタンコントローラも搭載されています。
このデバイスには、インジケータやバックライト機能用の3つの統合LED電流シンクに加え、自動共振追跡機能を備えたERM/LRAドライバが搭載されており、ユーザーに精緻な触覚フィードバックを提供します。低ノイズの1.5W昇降圧コンバータは、光学式心拍計測システムで一般的に使用されるLEDに、クリーンな電源を供給します。ADI MAX20366は、I2C インターフェイスを介して設定可能で、さまざまな機能のプログラミングやデバイスのステータスの読み取りが行えます。これには、内蔵のADCを使用して温度や供給電圧を監視する機能も含まれています。
本デバイスは、72ピンのバンプ、0.5mm ピッチ、4.88mm x 4.19mmのウェハーレベルパッケージ(WLP)に封入されており、動作温度範囲は-40°C〜+85°Cです。
特徴
- バッテリ充電間のバッテリ使用時間を延長
- 2 x Micro-IQ 、400mA降圧レギュレータ(各330nA IQ 標準)
- 0,550V~1,180V(10mVステップ)
- 25mVステップで0.550V~2.125V
- 0,550V~3,700V(50mVステップ)
- Micro-IQ 、600mA降圧レギュレータ(標準330nA IQ)
- 0,550V~1,180V(10mVステップ)
- 25mVステップで0.550V~2.125V
- 0,550V~3,700V(50mVステップ)
- Micro-IQ LV LDO/負荷スイッチ(1µA IQ 標準)
- 入力電圧1,0V~2,0V
- 50mA出力
- 0.5V〜1.95V出力、25mVステップ
- Micro-IQ LDO/負荷スイッチ(1µA IQ 標準)
- 入力電圧1.71V~5.5V
- 100mA出力
- 0.9V ~ 4V、100mVステップ
- Micro-IQ 昇降圧レギュレータ(2µA IQ 標準)
- 出力:1.5W
- 50mVステップで2.6V~5V
- 2 x Micro-IQ 、400mA降圧レギュレータ(各330nA IQ 標準)
- リチウムイオンバッテリ充電の実装が容易
- 広範囲高速充電電流:5mA〜500mA
- 許容差入力: 28V/-5.5V
- プログラム可能なJEITA電流および電圧プロファイル
- 高集積度によりソリューションのフットプリントを最小化
- 3.3Vまたは5.0V安全出力LDO
- CHGINが存在する場合15mA
- ERM/LRAハプティックドライバ
- 自動ブレーキ (LRAのみ)
- 自動共振追跡(LRAのみ)
- 3.3Vまたは5.0V安全出力LDO
- 幅広いディスプレイオプションに対応
- Micro-IQ 昇圧レギュレータ(2.4µA IQ 標準)
- 300mW出力
- 250mVステップで5V~20V
- 3チャネル電流シンク
- 20V耐性
- 0.6mA〜30mAでプログラム可能
- システム制御を最適化
- プログラム可能プッシュボタンコントローラ
- プログラマブル電源シーケンシング
- 工場出荷時シェルフモード
- オンチップの電圧および充電電流モニタ用マルチプレクサ(MUX)と統合型アナログ-デジタル変換器(ADC)
- Micro-IQ 昇圧レギュレータ(2.4µA IQ 標準)
アプリケーション
- ウェアラブル デバイス
- IoT
簡略ブロック図

