Analog Devices / Maxim Integrated MAX14721-MAX14723 高精度、可変パワーリミッタ
Maxim Integrated MAX14721、MAX14722、およびMAX14723高精度、調整可能パワーリミッタは、システムを正の過電圧および逆電圧故障に加えて過電流フォルトから保護します。オプションの外付けpチャネルMOSFETと共に使用すると、最大±60Vの電圧フォルトから下流回路も保護します。MAX14721-MAX14723は76mΩの低いオン抵抗の統合FETを内蔵しています。起動時、これらのデバイスは、下流デバイスへの入力に大型蓄積コンデンサが使用されるアプリケーションで、出力の大型コンデンサを連続モードで充電するように設計されています。MAX14721-MAX14723は2段構成の電流制限モードも特長としており、起動後短時間の間、電流はそれぞれ、設定された制限の1倍、1.5倍、および2倍に連続的に制限されます。これによって、起動時の大きな負荷に対し、より高速な充電が可能となります。MAX14721-MAX14723には逆電流および過熱防止機能も備わっています。これらのデバイスは、-40°C~125°Cの温度範囲で動作し、産業用電源システム、制御およびオートメーション、モーションシステムドライブ、などのさまざまなアプリケーションに最適です。MAX14721-MAX14723 also features a dual-stage, current-limit mode in which the current is continuously limited to 1x, 1.5x, and 2x the programmed limit, respectively, for a short time after startup. This feature enables faster charging of large loads during startup. ADI MAX14721-MAX14723 also features reverse-current and overtemperature protection. These devices operate over a -40°C to 125°C temperature range and are ideal for a variety of applications, such as industrial power systems, control and automation, motion system drives, and more.
特徴
- Robust, high-power protection reduces system downtime
- +5.5V to +58V wide input range
- Thermal foldback current-limit protection
- Negative input tolerance to -60V with external pFET
- Low 76mΩ (typ) RON
- Reverse current-blocking protection with external pFET
- Enables safer startup by preventing overheating of FETs
- Dual-stage current limiting
- 1.0x startup current (MAX14721)
- 1.5x startup current (MAX14722)
- 2.0x startup current (MAX14723)
- Flexible design enables reuse and less requalification
- Adjustable OVLO and UVLO thresholds
- Programmable forward current limit from 0.2A to 2A with ±15% accuracy over full temperature range
- Normal and high-voltage enable inputs (EN and HVEN)
- Protected external pFET gate drive
- Saves board space and reduces external BOM count
アプリケーション
- Control and automation
- High-power applications
- Human-machine interfaces
- Industrial power systems
- Motion system drives
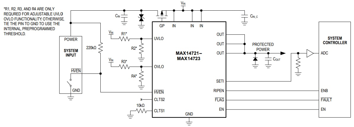
Typical Application Circuit
MAX14721EVKIT Evaluation Kit
ADI MAX14721EVKIT Evaluation Kit is a fully assembled and tested circuit board that demonstrates the MAX14721 overvoltage, undervoltage, and overcurrent-protection device. The evaluation kit features an external p-channel MOSFET and LED input/output reading. It comes with the MAX14721ATP+ installed, but can also be used to evaluate the pin-compatible MAX14722 and MAX14723 devices with IC replacement of U1. The kit has an operating voltage range of 5.5V to 58V. Typical applications or uses include control & automation, motion system drives, high-power, industrial power systems, and human-machine interfaces.
