Analog Devices / Maxim Integrated MAX14912EVKIT & MAX14913EVKIT評価キット

Maxim MAX14912EVKIT/MAX14913EVKIT評価キットは、MAX14912またはMAX14913オクタルデジタル出力ドライバを評価するための実証された設計を実現しています。この評価キットには、USBポートを介してPCからターゲットデバイスへの通信を実現している評価ボードおよびグラフィカルユーザーインターフェース(GUI)が搭載されています。この評価キットには、ICの機能を実行するためのWindows 7、Windows 8、Windows 10との互換性があるソフトウェアが搭載されています。この評価キットGUIを使用すると、パラレルモードまたはシリアル(SPI)モードのいずれかで、MAX14912/MAX14913の制御が可能になります。この評価キットは、外部+24V電源から給電する必要がああり、完全負荷がかかっている状態で10Aまで消費できます。MAX14912EVKIT/MAX14913EVKITには、MAX14912AKN+、またはMAX14913AKN+がインストールされており、56ピン8mm x 8mm TQFN-EPパッケージに収められています。

特徴

  • 広範な入力電圧と負荷状態が備わっている堅牢な動作
  • 最大20MHzクロックレートを用いたSPIインターフェイス
  • 最大200kHzまでのスイッチング・レートが備わっている並列インターフェイス
  • パラレルモードでの手動制御
  • 広いロジック電圧範囲
  • 温度範囲:-40℃~ 125℃
  • 状態および障害状態のオンボードLED表示
  • デイジーチェーン接続機能
  • 逆電圧保護
  • 実証済みPCBレイアウト
  • 完全実装および試験済み
  • Windows® 7、Windows 8、Windows 10
  • 互換性のあるソフトウェア

キット内容

  • +24V電源
  • 電圧計(オプション)
  • オシロスコープ(オプション)
  • Windows 7、Windows 8またはWindows 10、USBポートがインストールされているPC

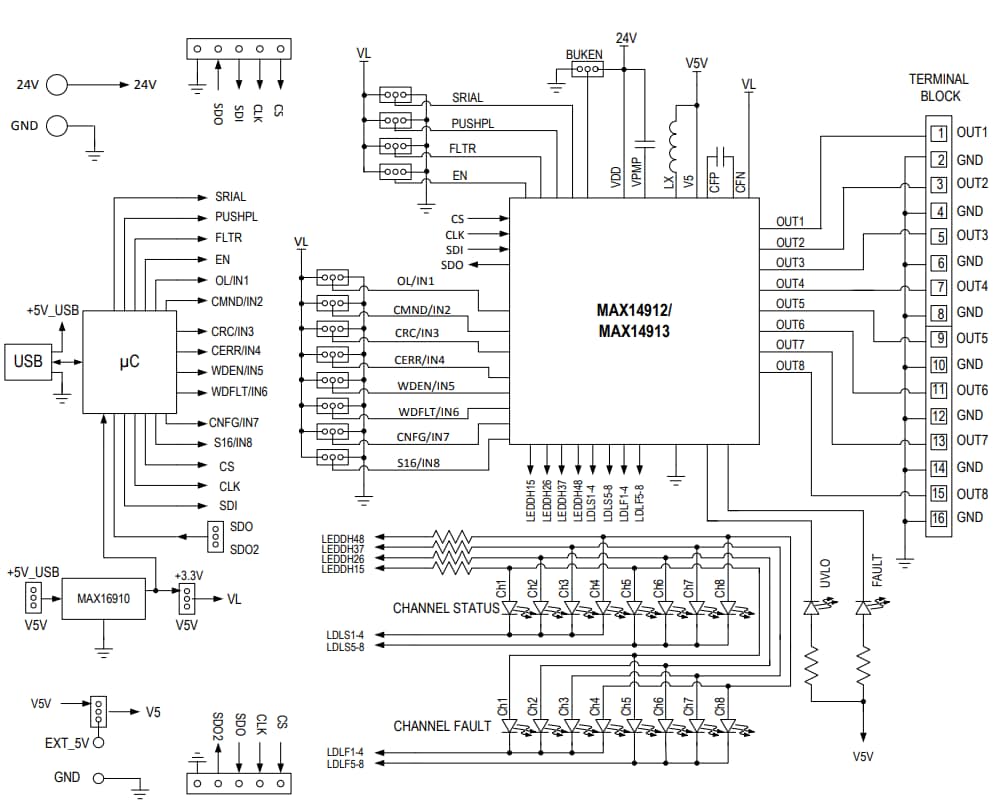
MAX14912/MAX14913のシステム・ブロック図

ブロック図 - Analog Devices / Maxim Integrated MAX14912EVKIT & MAX14913EVKIT評価キット
公開: 2017-02-27 | 更新済み: 2023-04-11