Analog Devices / Maxim Integrated MAX17612AEVKIT評価キット
Maxim MAX17612AEVKIT評価キットは、OV、UV、リバース保護機能が搭載されているMAX17612A 4.5V~60V電流リミッタを実証します。MAX17612AEVKITは、4.5VにプログラミングされたUVLOおよび36VにプログラミングされたOVLOで完全に組み立てられています。MAX17612AEVKIT評価キットは、調整式不足電圧、さまざまな電流制限の種類、さまざまな電流制限閾値を実証するように設計されています。このキットは、入力端子間のTVSダイオードおよび出力端子間のショットキー・ダイオードが特徴です。特徴
- 動作電圧範囲: 4.5V~60V
- 入力端子間のTVSダイオードおよび出力端子間のショットキー・ダイオードが特徴
- UVLO、OVLO、3つの電流制限の種類、および電流制限閾値を評価
- 4.5VにプログラミングされたUVLO
- 36VにプログラミングされたOVLO
- ジャンパ構成電流制限(デフォルトで250mAに選択)
- デフォルトでオート・リトライに設定されている電流制限モード
- 実証済みPCBレイアウト
- 完全実装および試験済み
アプリケーション
- 状況モニタリング
- 工業センサ
- PLC、ネットワーク制御モジュール、バッテリ駆動モジュールといった産業用アプリケーション
- プロセス計測器
- センサシステム
- 重み付けおよびバッチ処理システム
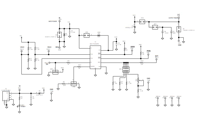
回路図
公開: 2018-10-26
| 更新済み: 2023-04-24
