MAX20012Bは、負荷、ライン、温度範囲全域で±2%の出力誤差を達成しています。ICは、より良いノイズ耐性と負荷過渡応答を目的として2.2MHz周波数に固定されたPWMモード、および軽負荷動作時の効率性の向上を目的としたパルス周波数変調モード(スキップモード)が特徴です。2.2MHz周波数オプションによって、すべてのセラミックコンデンサを使用できるようになり、外付け部品を最小限に抑えられます。プログラマブル拡散スペクトラム周波数変調によって、放射電磁放射が最小限に抑えられます。
MAX20012Bは、工場出荷時に出力電圧がプリセットされた状態で販売されています(オプションの選択ガイドを参照)。I2Cインターフェイスは、設定可能なスルーレートを備えた各チャネルの動的電圧調整をサポートします。その他の機能として、設定可能なソフトスタート、過電流、過熱保護があります。
MAX20012B降圧型コントローラは、露出パッド付き32ピン薄型クワッド・フラット・ノーリード(TQFN)パッケージで販売されており、車載アプリケーションを対象としたAEC-Q100の認定を取得しています。
特徴
- 小型ソリューションサイズのデュアルチャンネル高効率DC-DCコントローラ
- 3.0V~5.5V動作供給電圧
- OUT1は二相で24Aをサポート
- OUT2は12Aをサポート
- 高精度レギュレータ(アプリケーション・プロセッサ用)
- ±2%出力電圧精度
- 差動リモート電圧センシング
- I2C制御の出力電圧:0.5V~1.27V (10mVステップ)
- 0.625V~1.5875V(12.5mVステップ)
- 優れた負荷過渡性能
- EMIノイズを軽減する低ノイズ機能
- 2.2MHz動作
- スペクトラム拡散オプション
- 周波数同期入力/出力
- 電流モード、強制PWM、スキップ動作
- 車載環境に対応する堅牢性
- 個々のイネーブル入力とPGOOD出力
- 低RDS(ON) 外部FET
- 過熱および短絡保護
- 動作温度範囲 : -40°C~+125°C
- TQFN-EP-32パッケージ(5mm × 5mm)
- AEC-Q100準拠
- 鉛フリーおよびRoHS準拠
アプリケーション
- 車載用
- コアプロセッシステム/GPU電源
代表的な動作回路
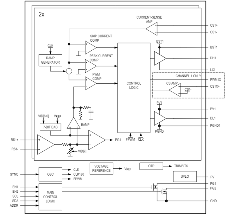
内部ブロック図
公開: 2020-04-10
| 更新済み: 2024-05-10

