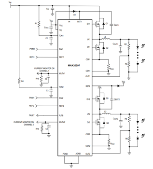
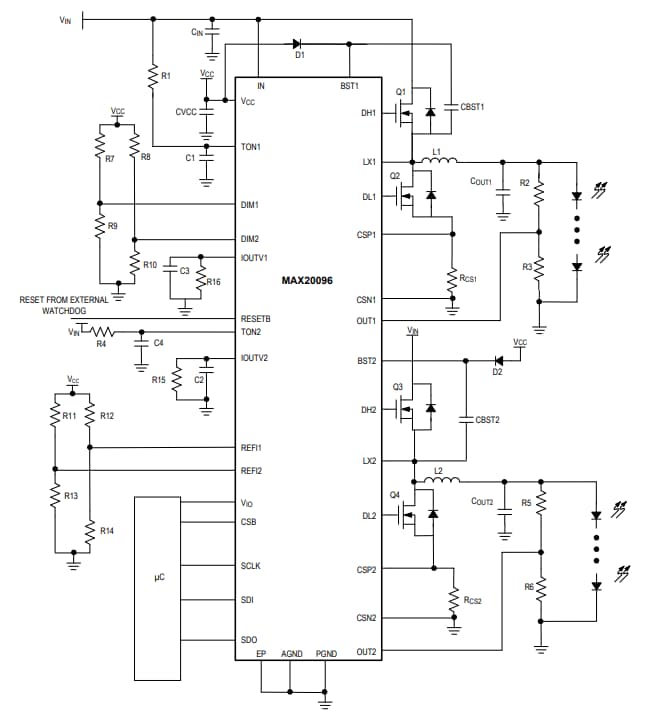
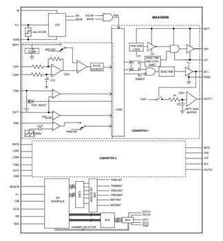
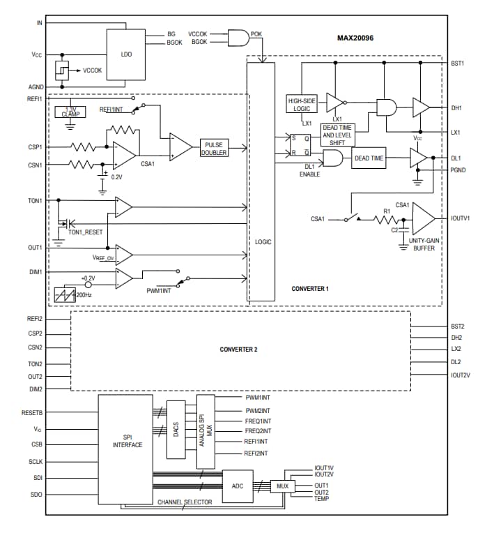
下側スイッチングデバイスで電流をセンシングすることによって、インダクタ電流のセンシングを達成できます。ICには、2つの完全同期バックコンバータコントローラが集積されており、高周波動作用に設計されていて、最高1MHzまでのスイッチング周波数で動作します。SPIインターフェイスは、両方のチャンネルで出力電圧と電流を読み戻すだけでなく、接合部温度も読み戻します。インダクタ電流制限保護、過電圧保護、熱上昇シャットダウンといった数多くの保護機能が搭載されています。
MAX20096は、省スペース・熱強化 (5mm x 5mm) 32ピン・サイドウェッタブルTQFNパッケージでご用意があり、-40°C~+125°C車載温度範囲に指定されています。MAX20097は、28ピン熱強化TSSOPパッケージでご用意がありますが、SPIインターフェイスは搭載されていません。MAX20097には、いずれかのチャンネルでオープンストリング、ショートストリング、過電圧起動、または熱上昇シャットダウンが発生した場合に「LOW」になるオープンドレイン障害フラグ(FLTB)が搭載されています。
特徴
- 集積化によって高輝度LEDドライバのBOMが最小限に抑えられ、スペースの節約とコストの削減を実現
- 広い入力電圧範囲: 4.5V~65V
- 補償部品は不要
- プログラマブルスイッチング周波数
- 適切な電流に適した外付けMOSFET
- 高コントラスト比を実現できる広い調光比
- アナログ調光
- PWM調光
- マトリックス照明に最適
- 短絡、過電圧、および温度保護
- ストリングの個々のLEDをショート/オープンしつつ電流安定化を維持
- 過シュートと不足シュートを防止する超高速応答制御ループ
- 保護機能および広い温度範囲によってシステムの信頼性が向上
- 動作温度範囲: -40°C~+125°C
- 熱モニタとLED電流モニタ
- SPIインターフェイスを介した障害診断、SPIインターフェイスが搭載されていないアプリケーションのためのFLTBピンを介した障害診断
アプリケーション
- 車載エクステリア照明
- ハイビーム/ロービーム/シグナルランプ/ポジションランプ
- 日中走行用ライト(DRL)
- フォグランプおよび適応型フロントライトアセンブリ
- 民生、産業、および建築用照明
公開: 2019-08-06
| 更新済み: 2023-04-17

