Analog Devices Inc. MAX20463EVKIT評価キット(MAX20463用)
Analog Devices MAX20463EVKIT評価キット(MAX20463用)は、車載アプリケーションを対象としたMAX20463 USB Type-C™ ソリューションの実証に使用されます。 このキットは、USB-Aコネクタをサポートしている既存の下流側ポートをUSB Type-Cコネクタに変換するためのワンチップ・ソリューションです。 このデバイスは、統合USB Type-Cインターフェイスが特徴で、USB Type-Cコネクタに見られる新しい構成チャンネル(CC)ピンを制御できます。特徴
- 構成可能な充電検出モード:USB-C 3.0A、1.5A
- 高圧側USB電力保護スイッチ
- 実績のあるPCBレイアウト
- 組立と試験を完了
アプリケーション
- 車載用下流USBモジュール
- 車載用USBキャプティブケーブル筐体
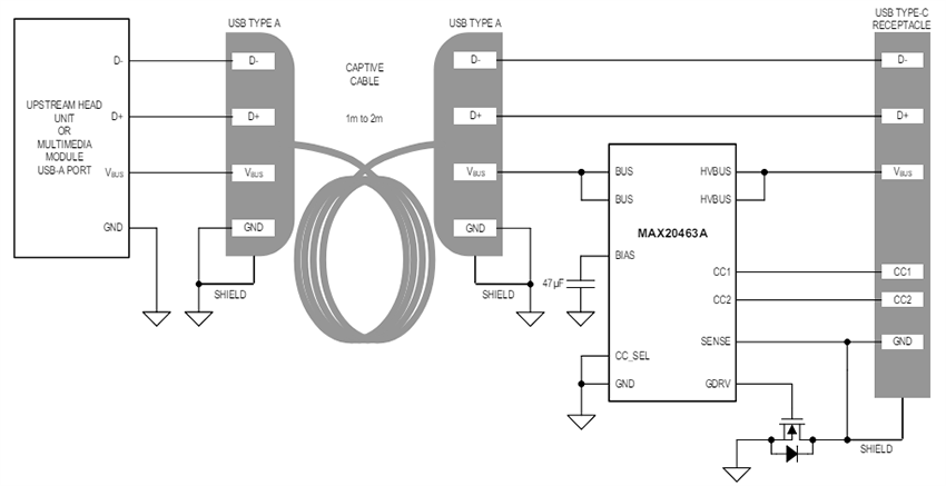
ブロック図
公開: 2020-06-08
| 更新済み: 2024-05-31
