Analog Devices Inc. MAX77958 USB Type-C™とUSB PDコントローラ
Analog Devices Inc.のMAX77958 USB Type-C™およびUSB PDコントローラは、USB Type-C CC検出および電力供給(PD)プロトコル実装のための堅牢なソリューションです。Type-C CC検出とUSB PDメッセージングを使用して、接続されたアクセサリやデバイスを検出します。MAX77958は、過電圧および過電流から保護し、USB Type-Cコネクタの湿気を検知し、腐食を防止します。ICには、D+/D- USBスイッチとBC1.2検出機能も搭載されており、レガシーUSB規格にも対応しています。USB PD用のVCONNスイッチと、外部VCONN昇圧または降圧コンバータ用のイネーブルピンが含まれています。ADI MAX77958は、USB Type-C Specification Release 1.3およびPD 3.0に準拠したファームウェアを搭載しています。コンプライアンスを損なうことなく、簡単にさらにカスタマイズできます。MAX77958は、システム内の他のデバイスに読み書きできるI2Cマスターを搭載しており、メインプロセッサの支援なしにファームウェアが関連デバイスを設定できるようになっています。例えば、BC1.2検出、CC検出、PD通信に基づいて外部充電器を設定することができます。
ICには、イベントの検出やステータスの変更を通知するための割り込み出力ピンがあります。また、システムが内部レジスタを読み書きおよび設定できるI2Cインターフェースも備えています。MAX77958は、検出用、割り込み用、外部デバイスのオン/オフ用ターンピン、またはADC入力として使用できる9つの構成可能なGPIOを提供します。ICは、3.10mm×2.65mm、0.5mmピッチ、ウェハレベルパッケージ(WLP)で提供されています。
特徴
- カスタマイズ可能なファームウェア
- USB準拠のデフォルト組み込みファームウェア
- イベントでカスタマイズ可能なアクションをサポート
- 今後の仕様改訂のためのファームウェア・アップデート
- USB Type-CサポートとUSB-PDサポート
- USB Type-Cバージョン1.3およびPD 3.0に準拠
- モード構成: シンク/ソース/デュアルロールポート
- プログラマブル電源(PPS)シンクサポート
- 高速ロールスワップ(FRS)初期シンクサポート
- ケーブルの方向と電力ロール検出
- VCONN スイッチ(OCP搭載)を集積
- Try.Snk状態をサポート
- オーディオおよびデバッグアクセサリ・シンク/ソースモード
- BC1.2レガシー/独自の充電器検出、統合D +/D-スイッチをサポート
- 湿気検出腐食防止
- 高電圧VBUS 範囲(28V)
- CCピンでのV BUS への短絡保護(22V)
- デッドバッテリのサポート
- SYSおよびVBUS からのデュアル電源入力
- I2Cプログラマブル設定
- 外部チャージャまたは直接充電ICを制御するI2Cマスタ
- 9個の構成可能なGPIO(SIDでGPIO6)
- SuperSpeed Mux/検出/IRQ
- EN/DISABLE外部スイッチまたはデバイス
- 3.10mm x 2.65mm WLP30パッケージ、0.5mmピッチ
アプリケーション
- スマートフォン
- タブレット
- カメラ
- ゲームプレーヤー
- パワーバンク
- 産業機器PoE to USB Type-Cアダプタ
- ハンドヘルドデバイス
- 携帯機器
- モニタ
- ヘルスケアと医療機器
- 他のUSB Type-Cデバイス
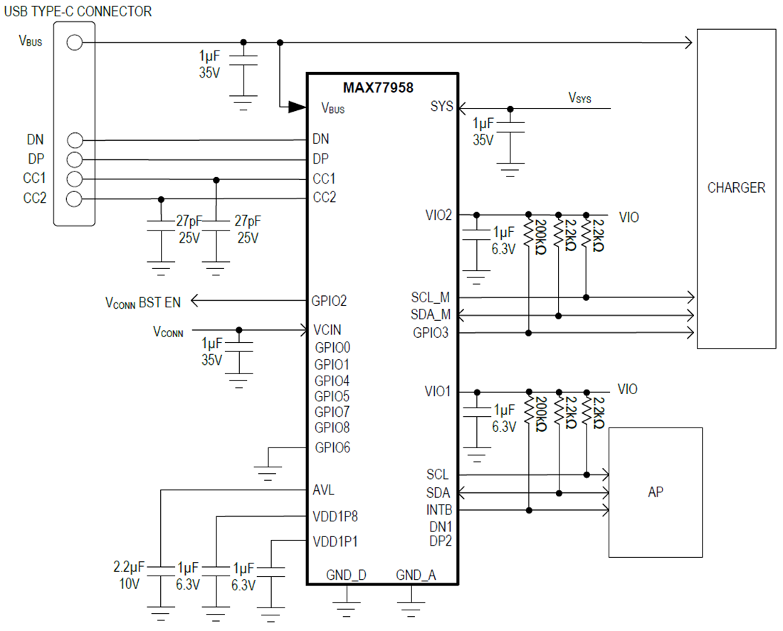
ブロック図
公開: 2020-05-14
| 更新済み: 2024-05-20
