Bosch BMP585 シャトルボード 3.0

Bosch SensortecBMP585シャトルボード3.0、圧力/温度センサ(BMP585) を搭載したPCBです。アプリケーションボード3.0と組み合わせることで、BMP585で提供されるさまざまな機能を評価するためのシャトルボードとして使用することができます。シャトルボードは、シンプルなソケットを介してセンサピンに簡単にアクセスでき、Bosch Sensortechのアプリケーションボード3.0に直接接続することが可能です。

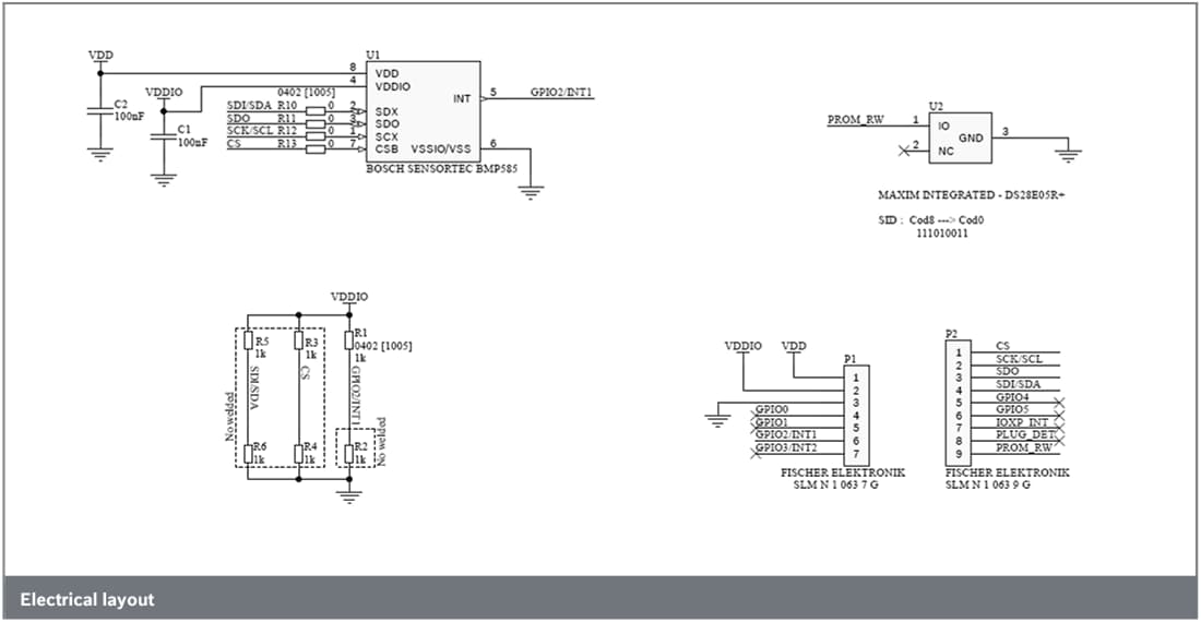
電気レイアウト

機械図面 - Bosch BMP585 シャトルボード 3.0

基板寸法

Bosch BMP585 シャトルボード 3.0
公開: 2023-05-22 | 更新済み: 2023-05-31