Bourns 1430シリーズサージ保護デバイス
Bourns 1430シリーズのサージ保護デバイス(SPD)は、IECクラスI+クラスII DCデバイスで、定格限界まで電力サージ、落雷、過渡現象による損傷から電力システムを保護するように設計されています。DINレールに取付け可能なこれらのSPDは、最大1500VDCで動作するDCシステムを保護し、1極あたり最大80kA(8/20μs)の雷サージ電流定格を提供します。高エネルギーの金属酸化物バリスタ(MOV)技術設計と熱ディスコネクタにより、素早い熱応答と確実な切断を実現します。Bourns 1430シリーズのSPDは、ステータスインジケータ、遠隔信号機能、RoHS準拠を特長としています。用途には、太陽光発電システム、DC電源、電気自動車(EV)充電ステーションなどがあります。特徴
- 高エネルギーMOVテクノロジーとサーマルディスコネクタ
- ステータス・インジケータ
- 交換可能なモジュラー設計
- コモンモードおよび差動モード保護用
- リモート信号機能
- IEC/EN 61643-31準拠のクラスIおよびクラスII / T1+T2 SPD
- RoHS準拠(RoHS指令2015/863、2015年3月31日、および附属書)
アプリケーション
- 直流電源
- 太陽光発電システム
- EV充電ステーション
仕様
- 電流対応能力:80kA Imax(8/20µs)および12.5kA Iimp(10/350µs)
- ネットワーク電圧範囲:48VDC 〜1,500VDC
- リモート信号:
- 250V/0.5A(AC)
- 125V / 0.2A(DC)
- オプション
- 単一保護(-P)
- V構成(-D)
- Y構成(-Y)
- DINレール35mm対称取り付け
- 動作温度範囲:-40°C~+85°C
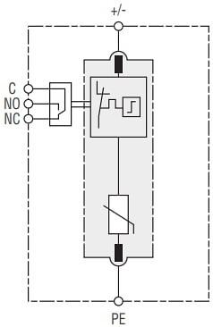
電気図
公開: 2024-08-22
| 更新済み: 2024-08-26
