Bourns SRF9005A AEC-Q200車載グレードラインフィルタ

Bourns SRF9005A AEC-Q200準拠の車載グレードラインフィルタは、フェライトトロイドコアで構成されており、広い周波数範囲全体で高インピーダンスを発揮します。これらのBourns車載グレードラインフィルタは、システムに出入りする電磁干渉(EMI)を抑制します。SRF9005AシリーズはAEC-Q200-compliantで、-40°C~ +105°Cの動作温度範囲が備わっています。このデバイスは、さまざまな車載システムおよびEMI抑制での使用に最適です。

特徴

  • 最大電流定格:1.6A
  • インダクタンス範囲10µH~6,500µH
  • 周波数: 最高300MHz
  • AEC-Q200-compliant
  • RoHS準拠およびハロゲンフリー

アプリケーション

  • EMI抑制
  • 車載システム

仕様

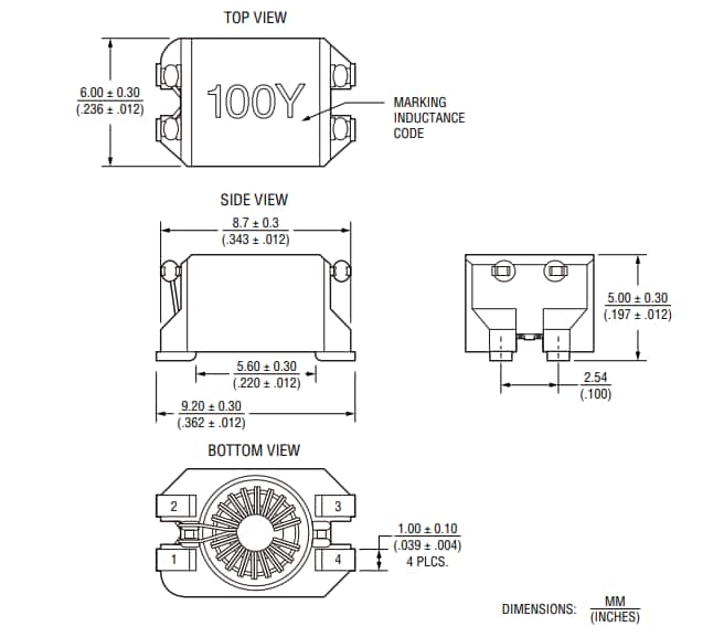
  • 寸法:9.2mm x 6mm x 5mm
  • 定格電流範囲: 0.3A~1.6A
  • 動作温度範囲: -40°C~+105°C

寸法

機械図面 - Bourns SRF9005A AEC-Q200車載グレードラインフィルタ

回路図

回路図 - Bourns SRF9005A AEC-Q200車載グレードラインフィルタ
公開: 2025-04-03 | 更新済み: 2025-06-09