Broadcom ACPL-C870/A/B Optically Isolated Voltage Sensors
Broadcom ACPL-C870/ACPL-C87A/ACPL-C87B Optically Isolated Voltage Sensors are optical isolation amplifiers designed specifically for voltage sensing. The 2V input range and high 1GΩ input impedance makes these Broadcom devices well suited for isolated voltage sensing requirements in electronic power converters applications, including motor drives and renewable energy systems.ACPL-C87A (±1% gain tolerance) and ACPL-C870 (±3% gain tolerance) are ideal for general applications. For high precision requirements, ACPL-C87B (±0.5% gain tolerance) is ideal. Broadcom ACPL-C870/ACPL-C87A/ACPL-C87B Sensors are optical isolation amplifiers designed specifically for voltage sensing. optical isolation amplifiers operate from a single 5V supply and provide excellent linearity. An active-high shutdown pin is available to reduce the Idd1 current to only 15uA, making these devices suitable for battery-powered and other power-sensitive applications.
Features
- 0.5% high gain accuracy (ACPL-C87B only)
- Unity gain 1V/V
- 1GΩ input impedance
- 0 to 2V nominal input range
- -35ppm/°C low gain drift
- -0.3mV input offset voltage
- 0.1% excellent non-linearity max
- Active high shutdown pin
- 100kHz wide bandwidth
- 3V to 5.5V wide supply range for output side
- -40°C to +105°C operating temperature range
- Advanced sigma-delta A/D modulation technology
- 15kV/µs common-mode transient immunity
- Compact, auto-insertable stretched SO-8 package
- Safety and Regulatory Approvals
- IEC/EN/DIN EN 60747-5-5: 1414Vpeak working
insulation voltage - UL 1577: 5000Vrms/1 min double protection rating
- CSA: Component Acceptance Notice #5
- IEC/EN/DIN EN 60747-5-5: 1414Vpeak working
Applications
- Isolated voltage sensing in AC and servo motor drives
- Isolated DC-bus voltage sensing in solar inverters, wind turbine inverters
- Isolated sensor interfaces
- Signal isolation in data acquisition systems
- General purpose voltage isolation
Videos
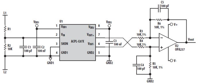
Typical Application Circuit
Functional Diagram
公開: 2012-12-05
| 更新済み: 2025-01-14
