Broadcom ACPL-K305T車載用フォトボルタイック・ ドライバ
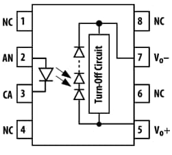
ブロードコム (Broadcom)ACPL-K305T 車載用フォトボルタイック・ドライバはR2、Coupler™絶縁技術を備え、高電圧MOSFETおよび/またはIGBTを駆動するよう設計されています。本ドライバは強化絶縁と高信頼性を提供し、自動車分野や高温環境下の産業用途に不可欠な安全な信号絶縁を確保します。ACPL-K305Tドライバは、出力検出器回路に光学的に結合されたAlGaAs赤外線LED入力段で構成されています。この検出器は、太陽光発電ダイオードアレイとターンオフ回路で構成されています。太陽光発電ドライバは、入力LEDを介して3mAの最小入力電流でonになります。MOSFETドライバは、0.6Vまたはそれ以下の入力電圧でoffになります。ACPL-K305Tドライバは、ソリッドステートリレー、ハイサイド電力スイッチ制御、バッテリ管理システム、高電圧システムの事前充電/アクティブ放電回路のようなアプリケーションに使用されます。特徴
- R2Coupler™絶縁
- AEC-Q100テストガイドラインに準拠しています。
- -40°C~125°C車載温度範囲
- 絶縁二次電源を必要とせず、外部パワーMOSFETやIGBTを駆動可能です。
- 3mA低IF ドライブ
- IF = 10mAでの7.1Vオープン回路の電圧(標準)
- IF = 59μA 10mAで短絡電流(標準)
- IF = 10mACL= 1nFにおいて短絡電流は典型値59μAとなります。
- ターンオン時間: 0.07ms(標準)
- ターンオフ時間: 0.02ms(標準)
- 規制承認:
- UL/cUL 1577 5kVRMS RMS(1分間)
- IEC/EN 60747-5-5VIORM = 1260VPEAK
アプリケーション
- ソリッドステート リレー
- 高電圧システムでの事前充電/アクティブ放電回路
- ハイサイド電力スイッチ制御
- バッテリ管理システム
機能図
標準アプリケーション回路
公開: 2025-02-19
| 更新済み: 2025-03-25
