Broadcom AFBR-FS13B25光ワイヤレストランシーバ
Broadcom AFBR-FS13B25光ワイヤレストランシーバは、最大1.25Gb/sの速度でフリースペースでデータを通信し 、さまざまなアプリケーションでのコネクタレス/ケーブルレス通信が可能になります。このトランシーバは、フルデュプレックス双方向通信が特徴で、30mm~60mmの距離範囲が備わっており、コンパクトなシステム設計が可能になる小型フォームファクタになっています。AFBR-FS13B25トランシーバは、 光学軸を中心とした360°回転全体でフル機能を維持し、システムレベルのアライメントの複雑性を低減します。理想的には、このワイヤレス・トランシーバは、光ワイヤレス通信、回転光学データ・フィードスルー、ボード対ボード通信アプリケーションで使用されています。特徴
- 最速1.25Gb/s+データレート
- 距離範囲: 30mm~60mm
- 双方向全二重
- 360°回転のフル機能
- 小型フォームファクタ
- 公称光学波長: 850nm
- 3.3Vの単電源
- -10°C~85°C動作温度範囲
- SMTはんだ付け性
- Laser class 1製品
- RoHS-6準拠
アプリケーション
- 光学式ワイヤレス通信
- ウィンドウ光学式ワイヤレス通信
- ロータリー光学データフィードスルー
- 基板対基板通信
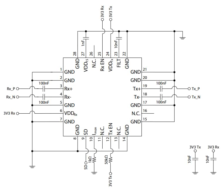
標準アプリケーション回路
ブロック図
公開: 2022-03-15
| 更新済み: 2022-03-22
