Stewart Connector / Cinch Connectivity Solutions RJ45抵抗器終端プラグ
Stewart Connector / Cinch RJ45 抵抗終端プラグは、120Ω〜47kΩの抵抗範囲を特徴としており、オープンポートの終端や、不要な干渉からのネットワーク整合性の保護に使用されます。このケーブルマウントプラグは、UL 94-V0等級の透明ポリカーボネート本体、部分金メッキを施した銅合金コンタクト、および嵌合エリアへの50μインチ(1.27μm)厚のコンタクトメッキ仕様で構成されています。Stewart Connector / Cinch RJ45 抵抗終端プラグはRoHSに準拠しています。特徴
- 不要な干渉からネットワークの整合性を保護
- オープンポートの終端に使用
- 抵抗範囲: 120Ω ~ 47kΩ
- 透明ポリカーボネートプラグ本体、UL 94-V0
- 銅合金コンタクト、選択金メッキ
- 嵌合領域での50μ “ (1.27μm) 端子メッキ
- ケーブルマウント
- RoHS準拠
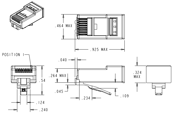
寸法
公開: 2022-10-18
| 更新済み: 2026-01-15
